Глухой стук в передней подвеске

Особенности устройства и эксплуатации элементов подвески и ходовой части автомобилей KIA SORENTO XM (2009MY)

Re: Глухой стук в передней подвеске

Сообщение Dimon0972 » 08 окт 2012, 10:22

St.Paul писал(а):чтобы поменять втулки переднего стабилизатора надо подрамник снимать...а?

ничего снимать ненадо,просто 2 болта ослабляешь и спокойно резинки меняешь,при наличии правильных рук конечно:)
Соренто 2.2-пуля,потому-что в цель.
Аватара пользователя
Dimon0972
 
 
Сообщения: 205
Зарегистрирован: 01 апр 2009, 16:11
Откуда: Пенза
Благодарил (а): 1 раз.
Поблагодарили: 1 раз.
Имя: Дмитрий
Автомобиль: Sorento XM, 2.2TD (197 л/с), 4WD, AT, 7 мест
Год выпуска: 2010
Доп. информация: кореец

Re: Глухой стук в передней подвеске

Сообщение Shusha » 10 окт 2012, 15:44

Прошёл ТО-1 ... грешил на правывй аммик или опорник ... оказалась втулка рулевого .. придёт и заменят по гарантии ...
Мне глубоко пофиг, что вы обо мне думаете ... я о вас вообще не думаю ... )))
Аватара пользователя
Shusha
 
 
Сообщения: 95
Зарегистрирован: 11 июл 2012, 12:13
Откуда: Окраина
Благодарил (а): 0 раз.
Поблагодарили: 0 раз.
Имя: Shusha
Автомобиль: Sorento XM, 2.2TD (197 л/с), 4WD, AT
Год выпуска: 2012

Re: Глухой стук в передней подвеске

Сообщение IvanDraga » 10 окт 2012, 16:30

Shusha
сфотографируй если получится для сравнения обе.Или внутренние размеры сними Я уже 2 раза менял. Без толку.
Аватара пользователя
IvanDraga
 
 
Сообщения: 558
Зарегистрирован: 23 сен 2010, 18:26
Откуда: KZ
Благодарил (а): 2 раз.
Поблагодарили: 7 раз.
Имя: Евгений
Автомобиль: Sorento XM, 2.4 (174 л/с), 4WD, AT
Год выпуска: 2010
Доп. информация: Продал, купил Прадо 150

Re: Глухой стук в передней подвеске

Сообщение Shusha » 10 окт 2012, 21:44

Ты имеешь ввиду и старую и новую?
Ты менял и всё равно стучит??? :shock:
Давным давно на Тоёте Хай Эйс у меня была такая проблемка, после замены пару раз родную втулку, я просто снял размеры и заказал токарю выточить из капролонового кранового блока втулку ... больше стуков в рулевой рейке не было ... тоже думаю снять размеры с новой ... :wink: .. не забыть бы микрометр ..
Мне глубоко пофиг, что вы обо мне думаете ... я о вас вообще не думаю ... )))
Аватара пользователя
Shusha
 
 
Сообщения: 95
Зарегистрирован: 11 июл 2012, 12:13
Откуда: Окраина
Благодарил (а): 0 раз.
Поблагодарили: 0 раз.
Имя: Shusha
Автомобиль: Sorento XM, 2.2TD (197 л/с), 4WD, AT
Год выпуска: 2012

Re: Глухой стук в передней подвеске

Сообщение IvanDraga » 11 окт 2012, 04:13

Shusha
Совершенно верно. Там пластиковый разрезной вкладыш. Когда менял замерил диаметр рейки он 27.9 а внутренний диаметр втулки 28 с сотками. Если прочитаешь всю тему то найдешь чертежи втулки от duzer. Хотя народ вроде поутих насчет втулки. Может проблема решена. Но у меня стучит.
Аватара пользователя
IvanDraga
 
 
Сообщения: 558
Зарегистрирован: 23 сен 2010, 18:26
Откуда: KZ
Благодарил (а): 2 раз.
Поблагодарили: 7 раз.
Имя: Евгений
Автомобиль: Sorento XM, 2.4 (174 л/с), 4WD, AT
Год выпуска: 2010
Доп. информация: Продал, купил Прадо 150

Re: Глухой стук в передней подвеске

Сообщение DmitrySV » 11 окт 2012, 07:06

у меня тоже недавно поменяли втулку рулевой, но ещё остался стук при вращении руля, и теперь я понимаю что это ещё и карданчик рулевой
DmitrySV
 
 
Сообщения: 141
Зарегистрирован: 29 май 2012, 08:07
Откуда: Башкирия
Благодарил (а): 0 раз.
Поблагодарили: 2 раз.
Имя: Дмитрий
Автомобиль: Sorento XM, 2.4 (174 л/с), 4WD, AT
Год выпуска: 2009
Доп. информация: перед КОНИ (1480) +H&R пружинки; зад H&R +КОНИ (1215)

Re: Глухой стук в передней подвеске

Сообщение Алексей Омск » 11 окт 2012, 09:37

DmitrySV писал(а): но ещё остался стук при вращении руля, и теперь я понимаю что это ещё и карданчик рулевой

Всетаки может опорник?
Изображение
Аватара пользователя
Алексей Омск
 
 
Сообщения: 3110
Зарегистрирован: 04 дек 2010, 19:57
Откуда: омск
Благодарил (а): 0 раз.
Поблагодарили: 79 раз.
Имя: Алексей
Автомобиль: Sorento XM, 2.4 (174 л/с), 4WD, AT
Год выпуска: 2010
Доп. информация: Цвет бежевый,люкс.Пружины по кругу ХеР +25. Задние амо кони 8240-1215 Передние 8641-1480 Масло в движке RAVENOL SFE 5W-20

Re: Глухой стук в передней подвеске

Сообщение DmitrySV » 11 окт 2012, 09:38

нет, карданчик, уже точно, но на самом деле не напрягает.....
DmitrySV
 
 
Сообщения: 141
Зарегистрирован: 29 май 2012, 08:07
Откуда: Башкирия
Благодарил (а): 0 раз.
Поблагодарили: 2 раз.
Имя: Дмитрий
Автомобиль: Sorento XM, 2.4 (174 л/с), 4WD, AT
Год выпуска: 2009
Доп. информация: перед КОНИ (1480) +H&R пружинки; зад H&R +КОНИ (1215)

Re: Глухой стук в передней подвеске

Сообщение Shusha » 11 окт 2012, 13:32

IvanDraga писал(а): Если прочитаешь всю тему то найдешь чертежи втулки от duzer. Хотя народ вроде поутих насчет втулки. Может проблема решена. Но у меня стучит.
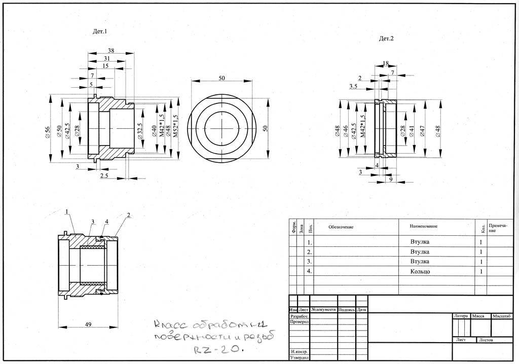
Вот бы ещё носом ткнуть меня в чертёж? :roll: ... а то сложно его найти ...

Кстати, а как делали замену? Снимали всю рейку или хватило просто откинуть обе рулевые тяги, отпустить червяк и выкрутить руль до упора????
На разных авто просто по-разному ...
Мне глубоко пофиг, что вы обо мне думаете ... я о вас вообще не думаю ... )))
Аватара пользователя
Shusha
 
 
Сообщения: 95
Зарегистрирован: 11 июл 2012, 12:13
Откуда: Окраина
Благодарил (а): 0 раз.
Поблагодарили: 0 раз.
Имя: Shusha
Автомобиль: Sorento XM, 2.2TD (197 л/с), 4WD, AT
Год выпуска: 2012

Re: Глухой стук в передней подвеске

Сообщение IvanDraga » 11 окт 2012, 17:41

Достаточно правую рулевую опору отсоединить и вывернуть руль. Дальше чехол. Тяга рулевая ну собственно втулка. Жижа потечет
Аватара пользователя
IvanDraga
 
 
Сообщения: 558
Зарегистрирован: 23 сен 2010, 18:26
Откуда: KZ
Благодарил (а): 2 раз.
Поблагодарили: 7 раз.
Имя: Евгений
Автомобиль: Sorento XM, 2.4 (174 л/с), 4WD, AT
Год выпуска: 2010
Доп. информация: Продал, купил Прадо 150

Re: Глухой стук в передней подвеске

Сообщение Shusha » 11 окт 2012, 21:34

IvanDraga писал(а): Жижа потечет

Откуда ей там взяться? Там же сальник ... :shock: Или просто грязь, но пыльник же должен держать?
Не пугай .. )))
Мне глубоко пофиг, что вы обо мне думаете ... я о вас вообще не думаю ... )))
Аватара пользователя
Shusha
 
 
Сообщения: 95
Зарегистрирован: 11 июл 2012, 12:13
Откуда: Окраина
Благодарил (а): 0 раз.
Поблагодарили: 0 раз.
Имя: Shusha
Автомобиль: Sorento XM, 2.2TD (197 л/с), 4WD, AT
Год выпуска: 2012

Re: Глухой стук в передней подвеске

Сообщение Denversky » 15 окт 2012, 08:52

Что может быть? При повороте руля вправо (где то за четверть оборота до упора) раздаётся сильный удар откуда то снизу, как будто молотком ударили. При переезде полицейских со скоростью выше 10 км/ч такой же удар.
Аватара пользователя
Denversky
 
 
Сообщения: 62
Зарегистрирован: 14 июн 2012, 14:41
Откуда: МО, Щелково
Благодарил (а): 0 раз.
Поблагодарили: 1 раз.
Имя: Денис
Автомобиль: Sorento XM, 2.4 (174 л/с), 4WD, AT
Год выпуска: 2012

Re: Глухой стук в передней подвеске

Сообщение St.Paul » 15 окт 2012, 09:08

опорные подшипники
Аватара пользователя
St.Paul
 
 
Сообщения: 3654
Зарегистрирован: 16 май 2010, 17:57
Откуда: Москва, ЮЗАО
Благодарил (а): 2 раз.
Поблагодарили: 52 раз.
Имя: Павел
Автомобиль: Sorento XM, 2.2TD (197 л/с), 4WD, AT
Год выпуска: 2010
Доп. информация: Темно-синий перламутр
+ Новый SORENTO, 2.2 TD (197л/с), 4WD, AT, 7 мест
2011
Снежно-белый перламутр

Re: Глухой стук в передней подвеске

Сообщение Микетыч » 15 окт 2012, 14:12

Shusha писал(а):Там же сальник ... Или просто грязь, но пыльник же должен держать?
Не пугай .. )))

Сальник во втулке,а ты её снимешь! Вот и потечёт!
Соренто власники усіх країн єднайтеся!
Изображение
Изображение
Аватара пользователя
Микетыч
 
 
Сообщения: 5156
Зарегистрирован: 07 окт 2010, 13:34
Откуда: Кустанай. KZ
Благодарил (а): 103 раз.
Поблагодарили: 248 раз.
Имя: Дмитрий
Автомобиль: Mohave HM, 3.8 (275 л/с), TOD, AT
Год выпуска: 2012
Доп. информация: Серебристый бензопоглотитель на пневме.

Re: Глухой стук в передней подвеске

Сообщение Алексей Омск » 15 окт 2012, 16:45

Смотри

Добавлено через 47 секунд:
Shusha писал(а):Вот бы ещё носом ткнуть меня в чертёж?
Вложения
Opora_1024x768.jpg
Изображение
Аватара пользователя
Алексей Омск
 
 
Сообщения: 3110
Зарегистрирован: 04 дек 2010, 19:57
Откуда: омск
Благодарил (а): 0 раз.
Поблагодарили: 79 раз.
Имя: Алексей
Автомобиль: Sorento XM, 2.4 (174 л/с), 4WD, AT
Год выпуска: 2010
Доп. информация: Цвет бежевый,люкс.Пружины по кругу ХеР +25. Задние амо кони 8240-1215 Передние 8641-1480 Масло в движке RAVENOL SFE 5W-20

Пред.След.

Вернуться в Подвеска и ходовая (XM)

Кто сейчас на конференции

Сейчас этот форум просматривают: нет зарегистрированных пользователей и гости: 2