DUZER писал(а): на мыло отослал Demidу
Все ок, поймал. Спасибо!
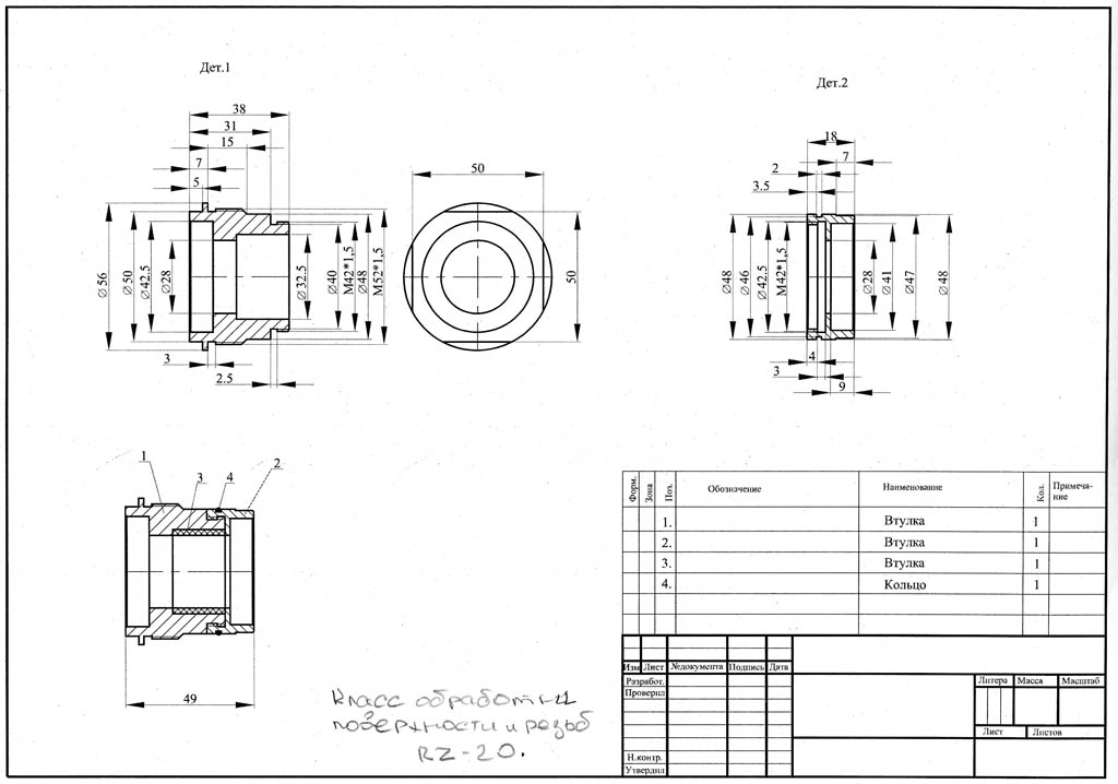
Если надо могу побольше выставить разрешение. Но вроде и так видно всё нормально.
DUZER писал(а): на мыло отослал Demidу
 
                           
		Demid писал(а):могу побольше
 спасибо
  спасибо
 
                           
		DUZER писал(а):Прийдётся ещё одного в соавторы брать

 
                           
		DUZER писал(а):Прийдётся ещё одного в соавторы брать

 
                           
		 
                           
		birul73 писал(а):материала новая втулка

 
                           
		
 
                           
		rex66607 писал(а):он там говорит, из чего она сделана
 
                           
		Kirill818 писал(а):Записался на завтра на замену втулки
 
                           
		 
                           
		igorsol писал(а):так как то что предложила киа не вызывает достаточной уверенности в успехе,
 
                           
		innowi писал(а):...я говорил с мастером Од где я менял втулку, утверждает на 100% что замена втулки не решит проблему, так как реально это конструктивная недоработка
 .
 .  
                           
		
 
                           
		Demid писал(а):А вот мне интересно, а этот мастер случаем не сказал в чем эта конструктивная недоработка заключается? Что в этой рейке такого особенного по сравнению с другими рейками? А то трендеть умные слова и трясти воздух "ни о чем" с умным видом они "мастера".
 
                           
		Вернуться в Подвеска и ходовая (XM)
Сейчас этот форум просматривают: нет зарегистрированных пользователей и гости: 3