Передние и задние проставки

Особенности устройства и эксплуатации элементов подвески и ходовой части автомобилей KIA SORENTO BL (2002..2009)

Передние и задние проставки

Сообщение Accent-58 » 23 апр 2009, 09:20

Чертеж проставок дорестайл и отчет по установке от accent
:arrow: Тема: Передние и задние проставки, Сообщение #1705640, Автор: Accent-58
:!: Чертеж передних проставок дорестай и рестайл одинаковый и находится в отчете.
:arrow: Можно установить вместо проставок подушки LEMFORDER (код для заказа 1797501). Завышение 20-25см.
Тема: Передние и задние проставки, Сообщение #1477340, Автор: Gubkin
:!: Коэффициент для расчета высоты проставки на перед равен 1,8.
Пример- Вам нужно поднять перед машины на 40 мм, высота проставки H=40/1,8=22,2мм.
:!: Максимальное завышение, которое можно сделать без проблем для схождения-развала 52 см спереди и 55 см сзади.
:!: При подъеме задней части автомобиля мост смешается в сторону. Чтобы это скомпенсировать, лучше доработать тягу панара.

Чертеж задних проставок рестайл от accent
:arrow: Тема: Передние и задние проставки, Сообщение #1705880, Автор: Accent-58

Чертеж задних удлинителей отбойников рестайл (на дорестайл не ставились) от accent
:arrow: Тема: Передние и задние проставки, Сообщение #1361614, Автор: Accent-58

Чертеж задних удлинителей аммортизаторов рестайл (на дорестайл не ставились) от accent
:arrow: Тема: Передние и задние проставки, Сообщение #1335235, Автор: Accent-58

Чертеж задних проставок для установки на РЕСТАЙЛ вместе с пружинами H@R от дорестайла от accent
---- Тема: Передние и задние проставки, Сообщение #1255117, Автор: Accent-58
С этими размерами получается завышение 53мм (от центра колеса до арки)
:!: Установка пружин Н@R на рестайл на зад без проставок нежелательно. Будет задевать за раму и издавать неприятные звуки.

---- http://polimer-nsk.ru/static/prices/Kia_prost/ - готовые проставки из полиуретана.

Доработка тяги панара от accent
---- Тема: Выставление углов(схождение,развал,кастер)., Сообщение #1403036, Автор: Accent-58
Последний раз редактировалось Accent-58 02 мар 2017, 07:30, всего редактировалось 21 раз(а).
Аватара пользователя
Accent-58
 
 
Сообщения: 7080
Зарегистрирован: 30 апр 2008, 07:48
Откуда: Пенза
Благодарил (а): 229 раз.
Поблагодарили: 584 раз.
Имя: Александр
Автомобиль: Другая машина
Год выпуска: 2012
Доп. информация: были
SORENTO BL 2.5TD
SORENTO BL 3,3
SORENTO XM 2,4
Сейчас LCP 150

Re: Передние и задние проставки

Сообщение Nikolay0812 » 08 фев 2017, 13:20

holgert писал(а):Нашел в полиуритане передние проставки 20мм

Они что,полиуретановые,т.е.-резиновые по сути?И как они себя на опоре поведут?
Аватара пользователя
Nikolay0812
 
Модератор
 
Сообщения: 12677
Зарегистрирован: 06 июл 2007, 19:08
Откуда: Саратов
Благодарил (а): 885 раз.
Поблагодарили: 1314 раз.
Имя: Николай
Автомобиль: Sorento BL, 2.5TD (170 л/с), TOD, AT
Год выпуска: 2008
Доп. информация: черный 2VIN в топе.Пружины H&R.Бинар5Д.SuperTOD от BlkDem.
6,5лет-был "кореец" 2002г.в

Re: Передние и задние проставки

Сообщение velic-74 » 08 фев 2017, 13:47

Nikolay0812 писал(а):Они что,полиуретановые

Коля там втулки стоят металлические вот типа
http://www.polyurethan.ru/product/prostavka-perednej-amortizacionnoj-stojki-20mm-12-12-0082/
Аватара пользователя
velic-74
 
 
Сообщения: 2804
Зарегистрирован: 25 май 2010, 19:36
Откуда: Челябинская область
Благодарил (а): 56 раз.
Поблагодарили: 105 раз.
Имя: Олег
Автомобиль: Sorento BL, 2.5TD (14X л/с), Part-Time, AT
Год выпуска: 2002
Доп. информация: комплектация Limited

Re: Передние и задние проставки

Сообщение Nikolay0812 » 08 фев 2017, 14:46

velic-74 писал(а):там втулки стоят металлические

Понятно теперь :D .Только всё равно,как то не айс,имхо.
Аватара пользователя
Nikolay0812
 
Модератор
 
Сообщения: 12677
Зарегистрирован: 06 июл 2007, 19:08
Откуда: Саратов
Благодарил (а): 885 раз.
Поблагодарили: 1314 раз.
Имя: Николай
Автомобиль: Sorento BL, 2.5TD (170 л/с), TOD, AT
Год выпуска: 2008
Доп. информация: черный 2VIN в топе.Пружины H&R.Бинар5Д.SuperTOD от BlkDem.
6,5лет-был "кореец" 2002г.в

Re: Передние и задние проставки

Сообщение Napster_X » 19 фев 2017, 21:19

Хочу установить на Рестайл задние пружины с проставками от Дорейстайла: Kayaba RC5832 + проставки 17-15-015/15 (http://polimer-nsk.ru/static/prices/Kia_prost/). Нужно ли мне при этом докупать верхние опоры задних пружин от дорест.модели KIA №55131-3E000 или при данной связке (пружины+проставки) штатные опоры пружин не используются?
Спасибо.
Аватара пользователя
Napster_X
 
 
Сообщения: 74
Зарегистрирован: 15 янв 2015, 23:10
Откуда: Н.Новгород
Благодарил (а): 4 раз.
Поблагодарили: 9 раз.
Имя: Александр
Автомобиль: Sorento BL, 2.5TD (170 л/с), TOD, AT
Год выпуска: 2007
Доп. информация: SuperTOD by Accent-58

Re: Передние и задние проставки

Сообщение Darsen » 28 фев 2017, 17:04

Accent-58 писал(а):Проставки для установки на РЕСТАЙЛ с пружинами H@R с дорестайла. (Образцы сделаны и установлены на мою машину)

Добрый день! Я правильно понимаю,что вот с этими размерами (чертеж) лифт задней оси будет 53см - от центра колеса до арки ?
У меня стоят H@R по кругу.

Изображение
Аватара пользователя
Darsen
 
 
Сообщения: 2948
Зарегистрирован: 01 мар 2015, 20:05
Откуда: Спб
Благодарил (а): 405 раз.
Поблагодарили: 351 раз.
Имя: Дмитрий
Автомобиль: Sorento BL, 2.5TD (170 л/с), TOD, AT
Год выпуска: 2006

Re: Передние и задние проставки

Сообщение Accent-58 » 01 мар 2017, 07:13

Хз, что может быть не понятным.
Формула
ВЫСОТА СЕЙЧАС+ВЫСОТА ПРОСТАВКИ (на чертеже размер 30,5) = ВЫСОТА ПОЛУЧИТСЯ

У меня были HR+45. Если у тебя такие же пружины, то получится 53 см.
ಠ_ಠ Изображениеಠ_ಠ
Аватара пользователя
Accent-58
 
 
Сообщения: 7080
Зарегистрирован: 30 апр 2008, 07:48
Откуда: Пенза
Благодарил (а): 229 раз.
Поблагодарили: 584 раз.
Имя: Александр
Автомобиль: Другая машина
Год выпуска: 2012
Доп. информация: были
SORENTO BL 2.5TD
SORENTO BL 3,3
SORENTO XM 2,4
Сейчас LCP 150

Re: Передние и задние проставки

Сообщение Darsen » 01 мар 2017, 07:52

Accent-58 писал(а):У меня были HR+45. Если у тебя такие же пружины, то получится 53 см.

Благодарю!
Остальное - лишнее :wink:
Аватара пользователя
Darsen
 
 
Сообщения: 2948
Зарегистрирован: 01 мар 2015, 20:05
Откуда: Спб
Благодарил (а): 405 раз.
Поблагодарили: 351 раз.
Имя: Дмитрий
Автомобиль: Sorento BL, 2.5TD (170 л/с), TOD, AT
Год выпуска: 2006

Re: Передние и задние проставки

Сообщение Accent-58 » 01 мар 2017, 08:45

резинки с 2х сторон проставки тоже должны быть
ಠ_ಠ Изображениеಠ_ಠ
Аватара пользователя
Accent-58
 
 
Сообщения: 7080
Зарегистрирован: 30 апр 2008, 07:48
Откуда: Пенза
Благодарил (а): 229 раз.
Поблагодарили: 584 раз.
Имя: Александр
Автомобиль: Другая машина
Год выпуска: 2012
Доп. информация: были
SORENTO BL 2.5TD
SORENTO BL 3,3
SORENTO XM 2,4
Сейчас LCP 150

Re: Передние и задние проставки

Сообщение VEFF » 01 мар 2017, 10:13

Где бы посмотреть чертежи на дорестайл? В шапке картинки не открываются... Интересует в общем то один вопрос: удлинители на шпильки.
VEFF
 
 
Сообщения: 35
Зарегистрирован: 21 мар 2016, 13:13
Откуда: Москва
Благодарил (а): 5 раз.
Поблагодарили: 3 раз.
Имя: Василий
Автомобиль: Sorento BL, 2.5TD (14X л/с), TOD, AT
Год выпуска: 2003
Доп. информация: Москвич-21412, 1989 г.р., УЗАМ-3318

Re: Передние и задние проставки

Сообщение Accent-58 » 01 мар 2017, 10:47

Передние и задние проставки на дорестайл (передние проставки рестайл и дорестайл одинаковы)
Вложения
Проставки 3.rar
(602.65 КБ) Скачиваний: 1204
Проставки 2.rar
(1.68 МБ) Скачиваний: 936
Проставки 1.rar
(1.73 МБ) Скачиваний: 980
Последний раз редактировалось Accent-58 02 мар 2017, 07:28, всего редактировалось 1 раз.
ಠ_ಠ Изображениеಠ_ಠ
Аватара пользователя
Accent-58
 
 
Сообщения: 7080
Зарегистрирован: 30 апр 2008, 07:48
Откуда: Пенза
Благодарил (а): 229 раз.
Поблагодарили: 584 раз.
Имя: Александр
Автомобиль: Другая машина
Год выпуска: 2012
Доп. информация: были
SORENTO BL 2.5TD
SORENTO BL 3,3
SORENTO XM 2,4
Сейчас LCP 150

Re: Передние и задние проставки

Сообщение Darsen » 01 мар 2017, 13:01

Accent-58 писал(а):резинки с 2х сторон проставки тоже должны быть

Да,это я вразумил,спасибо! :)
Аватара пользователя
Darsen
 
 
Сообщения: 2948
Зарегистрирован: 01 мар 2015, 20:05
Откуда: Спб
Благодарил (а): 405 раз.
Поблагодарили: 351 раз.
Имя: Дмитрий
Автомобиль: Sorento BL, 2.5TD (170 л/с), TOD, AT
Год выпуска: 2006

Re: Передние и задние проставки

Сообщение MAVR » 01 мар 2017, 22:44

Можно чертеж задних проставок на рейстайл. В шапке фото отсутствуют (
MAVR
 
 
Сообщения: 91
Зарегистрирован: 16 май 2013, 17:06
Откуда: Рязань
Благодарил (а): 4 раз.
Поблагодарили: 1 раз.
Имя: Артёмка
Автомобиль: Sorento BL, 2.4 (141 л/с), TOD, MT
Год выпуска: 2006
Доп. информация: http://www.drive2.ru/cars/kia/sorento/s ... mavr62rus/

Re: Передние и задние проставки

Сообщение Nikolay0812 » 01 мар 2017, 23:33

Аватара пользователя
Nikolay0812
 
Модератор
 
Сообщения: 12677
Зарегистрирован: 06 июл 2007, 19:08
Откуда: Саратов
Благодарил (а): 885 раз.
Поблагодарили: 1314 раз.
Имя: Николай
Автомобиль: Sorento BL, 2.5TD (170 л/с), TOD, AT
Год выпуска: 2008
Доп. информация: черный 2VIN в топе.Пружины H&R.Бинар5Д.SuperTOD от BlkDem.
6,5лет-был "кореец" 2002г.в

Re: Передние и задние проставки

Сообщение MAVR » 01 мар 2017, 23:52

Ну не открываються у меня фото с этой темы (((
MAVR
 
 
Сообщения: 91
Зарегистрирован: 16 май 2013, 17:06
Откуда: Рязань
Благодарил (а): 4 раз.
Поблагодарили: 1 раз.
Имя: Артёмка
Автомобиль: Sorento BL, 2.4 (141 л/с), TOD, MT
Год выпуска: 2006
Доп. информация: http://www.drive2.ru/cars/kia/sorento/s ... mavr62rus/

Re: Передние и задние проставки

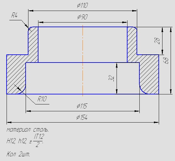
Сообщение Accent-58 » 02 мар 2017, 04:17

Задняя проставка рестайл
Рестайл.jpg
ಠ_ಠ Изображениеಠ_ಠ
Аватара пользователя
Accent-58
 
 
Сообщения: 7080
Зарегистрирован: 30 апр 2008, 07:48
Откуда: Пенза
Благодарил (а): 229 раз.
Поблагодарили: 584 раз.
Имя: Александр
Автомобиль: Другая машина
Год выпуска: 2012
Доп. информация: были
SORENTO BL 2.5TD
SORENTO BL 3,3
SORENTO XM 2,4
Сейчас LCP 150

Пред.След.

Вернуться в Подвеска и ходовая (BL)

Кто сейчас на конференции

Сейчас этот форум просматривают: нет зарегистрированных пользователей и гости: 4