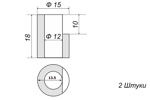
syv писал(а):Размеры втулок могу выложить
birul73 писал(а):Думаю многие будут благодарны. И хотя бы схемку от руки, куда вставлял
max1974ul писал(а):а какой ход штока при этом? как на штатных или немного больше получается? интересует возможность установки на лифтованные пружины
syv писал(а):Шток вдавливается туго, обратно сам выдвигается, как на всех.

ANVITOS писал(а):Блин, жалко! Еще одна надежда что-то радикально поправить в подвеске рухнула.
lis 999 писал(а):А кто подскажет, где смотреть номер аммо, какие стоят на машине?
Спасибо!
birul73 писал(а):А материал какой
syv писал(а):А какого результата ожидал? Сделать мягче

Рухнула еще одна надежда, что-то действительно изменить в этой подвеске в лучшую сторону 

ANVITOS писал(а):(входят легко, вылазят туго)
Bryton писал(а):это чистое масло...
Bryton писал(а):пружина - основной составляющий момент дорожного просвета и комфортной езды, а амортизатор лишь гасит колебания авто

ANVITOS писал(а):Да. Кони Хеви Трек Рейд - чистое масло, односторонние.
Вернуться в Подвеска и ходовая (XM)
Сейчас этот форум просматривают: нет зарегистрированных пользователей и гости: 4