Подскажите по центральному замку

Особенности устройства и эксплуатации электрической части автомобилей KIA SORENTO BL (2002..2009)

Подскажите по центральному замку

Сообщение Shaman008 » 21 июл 2011, 10:08

Поставил сигналку...все подключил все работает -- я счастлив... Но вот беда.... когда ставишь не охрану закрываются двери, но их можно открыть изнутри(аналог кнопки около стеклоподъемников). Когда закрываешь штатным пультиком изнутри не открываются. Вопрос: может кто в курсе где находится проводок который подает импульс на закрытие дверей, чтобы их изнутри нельзя было открыть?
ЗЫ: Пытался искать прозвоном....прозвонил 5 фишек слева под рулем(там где врезал сигналку к поворотам, замкам и т.п.) не нашел... Нашел блочек на кузове (чуть левее выше названных фишек) который щелкает при открытии закрытии дверей (думал что это какое-то или какие-то реле блокировки) попробовал позвонить---нашел тот же провод, что и на фишках...больше ничего... сегодня попробую ещё позвонить.
За ранее спасибо.
Если хочешь сделать что-то хорошо, сделай это сам.
CB Минский АВТОканал ch 7FM (27.030 MHz) ппшшш Шаман на приеме.
Аватара пользователя
Shaman008
 
 
Сообщения: 40
Зарегистрирован: 17 мар 2011, 11:18
Откуда: Minsk
Благодарил (а): 4 раз.
Поблагодарили: 0 раз.
Имя: Shaman
Автомобиль: Sorento BL, 2.5TD (14X л/с), Part-Time, AT
Год выпуска: 2003
Доп. информация: EX

Re: Подскажите по центральному замку

Сообщение Sir Antony » 21 июл 2011, 10:12

Речь идёт про функцию ЦЗ Super Lock?

Мне установщики её сохранили, если я правильно понял, установив более длинный импульс на закрытие дверей.
Всем всего хорошего :)
Изображение
Аватара пользователя
Sir Antony
 
 
Сообщения: 1610
Зарегистрирован: 21 авг 2008, 01:55
Откуда: Москва, СВАО - Мытищи
Благодарил (а): 3 раз.
Поблагодарили: 16 раз.
Имя: Антон
Автомобиль: Другая машина
Год выпуска: 2016
Доп. информация: Был Sorento BL EX 2.4 TOD MT, 2005.
Теперь Santa Fe DM Dynamic 2.4 MPI 4WD AT, 2015

Re: Подскажите по центральному замку

Сообщение Shaman008 » 21 июл 2011, 10:20

Да, SuperLock... пробовал ставить более длинный импульс (3,6 сек) эфекта 0.. Я так понимаю что импульс идет по другома проводу...вопрос по какому...К установщикам обращаться не захотел, ибо увидев работу на H1 друга %) ...отпало вообще желание ездить на СТО. При поставленной на охрану машине открываешь двери, она поорала..садишься благополучно заводишь...и вперед)) даже блокировку не поставили...панели покоцали..подсветка панели перестала гореть и кучу чего ещё((( Поэтому лучше сам....вот только не могу разобраться как блокировку эту сделать((
Кстати если у кого какие вопросы по установке/врезке обращайтесь помогу)
Если хочешь сделать что-то хорошо, сделай это сам.
CB Минский АВТОканал ch 7FM (27.030 MHz) ппшшш Шаман на приеме.
Аватара пользователя
Shaman008
 
 
Сообщения: 40
Зарегистрирован: 17 мар 2011, 11:18
Откуда: Minsk
Благодарил (а): 4 раз.
Поблагодарили: 0 раз.
Имя: Shaman
Автомобиль: Sorento BL, 2.5TD (14X л/с), Part-Time, AT
Год выпуска: 2003
Доп. информация: EX

Re: Подскажите по центральному замку

Сообщение Sir Antony » 21 июл 2011, 10:23

Я не у дилера делал, у внешнего установщика сигналок и прочего оборудования.
Всем всего хорошего :)
Изображение
Аватара пользователя
Sir Antony
 
 
Сообщения: 1610
Зарегистрирован: 21 авг 2008, 01:55
Откуда: Москва, СВАО - Мытищи
Благодарил (а): 3 раз.
Поблагодарили: 16 раз.
Имя: Антон
Автомобиль: Другая машина
Год выпуска: 2016
Доп. информация: Был Sorento BL EX 2.4 TOD MT, 2005.
Теперь Santa Fe DM Dynamic 2.4 MPI 4WD AT, 2015

Re: Подскажите по центральному замку

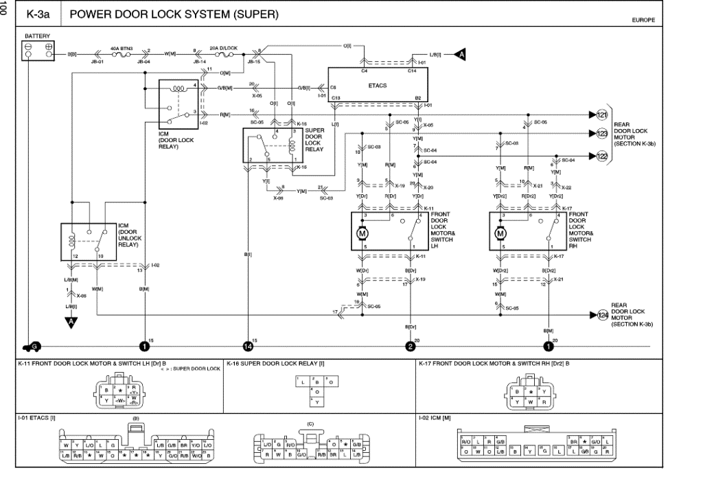
Сообщение netoka » 21 июл 2011, 11:03

ЦЗ_супер.jpg

Если я правильно понимаю, нужно использовать выход ETACS на реле SuperLock
Изображение
Аватара пользователя
netoka
 
 
Сообщения: 2852
Зарегистрирован: 17 сен 2010, 13:34
Откуда: г. Орёл
Благодарил (а): 388 раз.
Поблагодарили: 448 раз.
Имя: Константин
Автомобиль: Sorento XM, 2.2TD (197 л/с), 4WD, AT, 7 мест
Год выпуска: 2011
Доп. информация: коричневый Premium
был Sorento BL 3,5 EX TOD 2005 серебристый
был белый Cee'd JD 2013

Re: Подскажите по центральному замку

Сообщение Shaman008 » 21 июл 2011, 11:21

netoka, спасибо за схемку, на моей схеме реле суперлок нету...А геде расположен ETAC? Точнее где найти его провода которые идут к реле суперлок? И какой там написан цвет провода и в каком жгуте, не могу разобрать? вроде L, а что в [] непонятно?

может это он ETAC?
20072011066_.jpg
Если хочешь сделать что-то хорошо, сделай это сам.
CB Минский АВТОканал ch 7FM (27.030 MHz) ппшшш Шаман на приеме.
Аватара пользователя
Shaman008
 
 
Сообщения: 40
Зарегистрирован: 17 мар 2011, 11:18
Откуда: Minsk
Благодарил (а): 4 раз.
Поблагодарили: 0 раз.
Имя: Shaman
Автомобиль: Sorento BL, 2.5TD (14X л/с), Part-Time, AT
Год выпуска: 2003
Доп. информация: EX

Re: Подскажите по центральному замку

Сообщение netoka » 21 июл 2011, 13:07

В скобках вроде I (по моей модели).
Где расположен сам блок ETACS не знаю, ещё сам не занимался, всё в будущем, но схемки с точками подключений поизучал. Возможно поможет это:
располож.gif

и это (внизу схемы распиновка колодки С):
цз_суп.gif
Изображение
Аватара пользователя
netoka
 
 
Сообщения: 2852
Зарегистрирован: 17 сен 2010, 13:34
Откуда: г. Орёл
Благодарил (а): 388 раз.
Поблагодарили: 448 раз.
Имя: Константин
Автомобиль: Sorento XM, 2.2TD (197 л/с), 4WD, AT, 7 мест
Год выпуска: 2011
Доп. информация: коричневый Premium
был Sorento BL 3,5 EX TOD 2005 серебристый
был белый Cee'd JD 2013

Re: Подскажите по центральному замку

Сообщение Shaman008 » 21 июл 2011, 13:20

netoka
Спасибо за помощь, судя по схеме ETAC слева центральной консоли почти внизу, может кто вкурсе где находится реле суперлок?
Если хочешь сделать что-то хорошо, сделай это сам.
CB Минский АВТОканал ch 7FM (27.030 MHz) ппшшш Шаман на приеме.
Аватара пользователя
Shaman008
 
 
Сообщения: 40
Зарегистрирован: 17 мар 2011, 11:18
Откуда: Minsk
Благодарил (а): 4 раз.
Поблагодарили: 0 раз.
Имя: Shaman
Автомобиль: Sorento BL, 2.5TD (14X л/с), Part-Time, AT
Год выпуска: 2003
Доп. информация: EX

Re: Подскажите по центральному замку

Сообщение GogVan » 21 июл 2011, 19:34

ETAC действительно слева внизу консоли. Если под климатом есть есть ящик на центральной консоли, то вот прям за ним. Где реле находится незнаю. Но как говорилось выше, суперлок должен срабатывать на более длинный импульс.
Поделись улыбкою своей и она к тебе не раз еще вернется. :)
Аватара пользователя
GogVan
 
 
Сообщения: 918
Зарегистрирован: 17 ноя 2006, 12:27
Откуда: Иркутск
Благодарил (а): 1 раз.
Поблагодарили: 0 раз.
Имя: Евгений
Автомобиль: Sorento BL, 2.5TD (14X л/с), TOD, AT
Год выпуска: 2002
Доп. информация: Кореец. SuperTOD от BlkDem.

Re: Подскажите по центральному замку

Сообщение Shaman008 » 22 июл 2011, 09:07

Я же говорил, что пробовал на более длинный импульс, целых 3,6 сек. Не срабатывает. Смотрел мультиметром, на том проводке который идет на закрытие, при закрытии с пультика штатного идет такой же импульс как и с кнопки -- 0,7 сек.Т.е. алгооритм закрытия какой то другой.
Если хочешь сделать что-то хорошо, сделай это сам.
CB Минский АВТОканал ch 7FM (27.030 MHz) ппшшш Шаман на приеме.
Аватара пользователя
Shaman008
 
 
Сообщения: 40
Зарегистрирован: 17 мар 2011, 11:18
Откуда: Minsk
Благодарил (а): 4 раз.
Поблагодарили: 0 раз.
Имя: Shaman
Автомобиль: Sorento BL, 2.5TD (14X л/с), Part-Time, AT
Год выпуска: 2003
Доп. информация: EX

Re: Подскажите по центральному замку

Сообщение Анди » 27 авг 2011, 11:52

У меня после 40 закрывалась вся машина, и про езде по кочкам срабатывало закрытие замка, я вообще отключил функцию закрытия от скорости и теперь всё нормализовалось
Анди
 
 
Сообщения: 5
Зарегистрирован: 13 июн 2011, 17:23
Откуда: Алматы
Благодарил (а): 0 раз.
Поблагодарили: 0 раз.
Имя: Андрей
Автомобиль: Sorento BL, 2.5TD (14X л/с), Part-Time, AT
Год выпуска: 2002

Re: Подскажите по центральному замку

Сообщение Shaman008 » 21 сен 2011, 10:43

ну у меня немного не из этой области вопрос, все никак не доберусь панель разобрать етас поискать..
Если хочешь сделать что-то хорошо, сделай это сам.
CB Минский АВТОканал ch 7FM (27.030 MHz) ппшшш Шаман на приеме.
Аватара пользователя
Shaman008
 
 
Сообщения: 40
Зарегистрирован: 17 мар 2011, 11:18
Откуда: Minsk
Благодарил (а): 4 раз.
Поблагодарили: 0 раз.
Имя: Shaman
Автомобиль: Sorento BL, 2.5TD (14X л/с), Part-Time, AT
Год выпуска: 2003
Доп. информация: EX


Вернуться в Электрика и электроника (BL)

Кто сейчас на конференции

Сейчас этот форум просматривают: нет зарегистрированных пользователей и гости: 18