Магнитола ТС-6023 (RedPower 8923 KIA) 2 DIN

Обсуждение вопросов выбора, установки, эксплуатации магнитол, усилителей, сабвуферов и прочих устройств, предназначенных для услаждения слуха и зрения.
Обсуждение аспектов навигации ведём в разделе "Навигация". Обсуждение аспектов софта для штатных CarPC ведём в разделе "CarPC"

Магнитола ТС-6023 (RedPower 8923 KIA) 2 DIN

Сообщение Gurich » 01 окт 2009, 09:54

Оригинальное сообщение:
Привет!
http://www.trendcar.ru/product/multimed ... a-tc-6023/ :shock:

Изображение

Краткое описание:

Сенсорный экран 6.5 дюймов TFT LCD
USB выход для MP3/MP4/WMA/AVI/JPEG файлов
SD Card вход для MP3/MP4/WMA/AVI/JPEG форматов
Воспроизведение DVD/VCD/CD/MP3/MPEG4/CD-R/WMA/JPEG формат дисков
Прекрасное решение для системы звучания 5.1
Встроенный ТВ-тюнер
Радио 18FM & 12AM каналов
GPS навигатор
Цветовая видео система PAL/NTSC/SECAM
1 канал Aux Audio & Video входы для PlayStation...
1 канал Aux Audio & Video выходы
Переключение дисплея на камеру заднего вида
Пульт управления
Просмотр графических рисунков
Встроенный Bluetooth, простые функции или прием звонков
Возможность разговора во время навигации или прослушивания музыки/радио
Встроенный микрофон для голосовой связи
Эквалайзер : Rock/Flat/Pops/Classical
4 степени настройки дисплея : мягкий/яркость/нормальный/по умолчанию
Возможность отключения дисплея во время езды, чтобы не отвлекал.
Отключение звука при входящем звонке

Цена: 23000 руб

 Замечание от модератора: ShineOn
Напоминаю, что у нас есть п.11 "Правил форума", запрещающий публикаю ссылок на внешний ресурс без комментариев. Комментарии добавил сам.


Консолидированная информация по материалам темы (Спасибо Константину, aka Cons)

Магнитола ТС-8923 (RedPower 8946 KIA)

Изображение
http://timelesslong.cn/Simplified/Produ ... &SortID=63
Краткое описание:
Сенсорный экран 6.5 дюймов TFT LCD
USB выход для MP3/MP4/WMA/AVI/JPEG файлов
SD Card вход для MP3/MP4/WMA/AVI/JPEG форматов
Воспроизведение DVD/VCD/CD/MP3/MPEG4/CD-R/WMA/JPEG дисков
Встроенный ТВ-тюнерРадио 18FM & 12AM каналов
GPS навигатор
Возможность подключения IPOD
Цветовая видео система PAL/NTSC/SECAM1
канал Aux Audio & Video
Aux Audio & Video выходы
Переключение дисплея на камеру заднего вида
Пульт управленияПросмотр графических рисунков
Встроенная память на 6 CD дисков
Встроенный Bluetooth, простые функции или прием звонков
Возможность разговора во время навигации или прослушивания музыки/радио
Встроенный микрофон для голосовой связи
Эквалайзер : Rock/Flat/Pops/Classical
4 степени настройки дисплея : мягкий/яркость/нормальный/по умолчанию
Подключение к кнопкам на руле
Возможность отключения дисплея во время езды, чтобы не отвлекал.
Отключение звука при входящем звонке

Заказать можно напрямую от производителя
Контакты производителя Andy tlongsales2@gmail.com Общение на английском языке.
Стоимость у производителя 240$. Доставка 120$.
Фотографии установленных магнитол в Соренто:
Дорестайл: Тема: Магнитола ТС-6023 (RedPower 8923 KIA) 2 DIN, Сообщение #329220, Автор: Комбриг
Рестайл: Тема: Магнитола ТС-6023 (RedPower 8923 KIA) 2 DIN, Сообщение #321056, Автор: ALG
Отчет об установке от VladD Тема: Магнитола ТС-6023 (RedPower 8923 KIA) 2 DIN, Сообщение #834294, Автор: VladD
Также в рестайл возможна такая установка Тема: Магнитола ТС-6023 (RedPower 8923 KIA) 2 DIN, Сообщение #498779, Автор: fomin_ka, чтобы сделать как на первом фото требуется Тема: Магнитола ТС-6023 (RedPower 8923 KIA) 2 DIN, Сообщение #528114, Автор: stover
Параметры навигационной части: WinCE6, Com2, скорость порта 9600, разрешение 800х480, Nandflash.
Подключение кнопок на руле: Тема: Кнопки управления магнитолой на руле, Сообщение #499168, Автор: Cons
Настройка кнопок на руле: Тема: Магнитола ТС-6023 (RedPower 8923 KIA) 2 DIN, Сообщение #542416, Автор: Cons
Аватара пользователя
Gurich
 
 
Сообщения: 152
Зарегистрирован: 14 июл 2008, 20:19
Откуда: Санкт-Петербург
Благодарил (а): 0 раз.
Поблагодарили: 1 раз.
Имя: Андрей
Автомобиль: Sorento BL, 2.5TD (170 л/с), TOD, AT
Год выпуска: 2008

Re: ТС-6023 (RedPower 8923 KIA) 2 DIN

Сообщение BlkDem » 12 июл 2011, 10:40

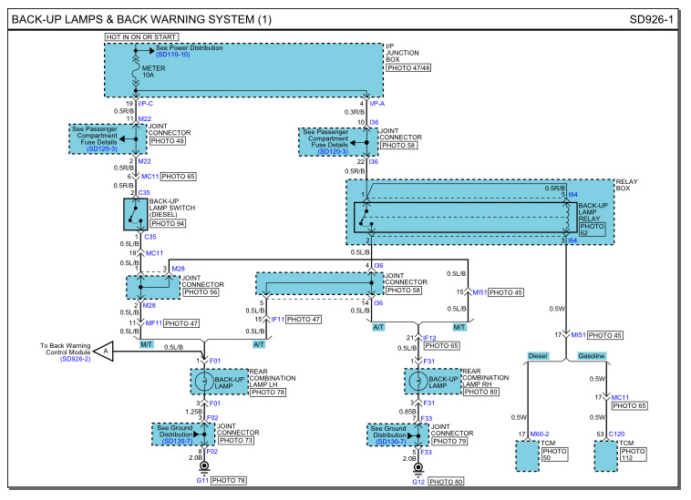
Скачайте электрическую схему и подключитесь с "джоинта" (i36, фото 58) за бардачком.
Всяко проще, чем в приборку лезть. Вот, смотрите:

(информация не подтвердилась!)
Вложения
eblcl60010l.gif
bkp.jpg
Заказать модифицированную трансмиссию можно в партнерской теме - Тема: "SuperTOD-2" от BlkDem
Аватара пользователя
BlkDem
 
Модератор
 
Сообщения: 24225
Зарегистрирован: 16 сен 2009, 12:01
Откуда: TR
Благодарил (а): 1567 раз.
Поблагодарили: 1258 раз.
Имя: Максим
Автомобиль: Sorento BL, 2.5TD (170 л/с), TOD, AT
Год выпуска: 2007
Доп. информация: Был SORENTO 2.5TD 2002 г.
SuperTOD II, Бинар, CB

Re: ТС-6023 (RedPower 8923 KIA) 2 DIN

Сообщение Cons » 12 июл 2011, 11:29

Nikolay Morozov писал(а):ближний свет, метра 4 тащить, а от панели 40 см. И при неисправности, или отделку по кузову снимать, или шесть шурупов открутить за рулём.

Я тоже от задних фонарей тащил, провод легко под обшивку заходит через уплотнительные резинки дверей, снимать ничего не надо, к тому-же камеру то-же запитать надо.
т.е. плюс от задних фонарей на камеру, а потом вместе с проводом камеры к ГУ.
Изображение
Изображение
Аватара пользователя
Cons
 
 
Сообщения: 1197
Зарегистрирован: 12 май 2009, 18:40
Откуда: Красноярский край
Благодарил (а): 8 раз.
Поблагодарили: 24 раз.
Имя: Константин
Автомобиль: Mohave HM, 3.0TD (250 л/с), TOD, AT
Год выпуска: 2011
Доп. информация: Топовый на пневме, 8АКПП. Был Sorento 2.5TD 2003г.

Re: ТС-6023 (RedPower 8923 KIA) 2 DIN

Сообщение stover » 12 июл 2011, 17:13

zzxx писал(а):Что касается вида магнитолы - у меня как на картинке панелька, но поманипулировав креплениями (которые я сам сделал из уголков - их и гнул пассатижами) я добился, чтоб голова стояла как надо


"как надо" - это вот так? -
Изображение

и еще...
lamp detection подключил.
подсветка кнопок при включении габаритов заработала, но!!!,
при установленном переключателе lamp detection в настройках в главном меню:
1. не активна опция меню выбора цвета кнопок.
2. при нажатии на третью справа внизу в главном меню (программная кнопка с 4-мя маленькими квадратиками) подсветка переключается следующим образом (4 последовательных нажатия в цикле): красная, красная, отсутствует, отсутствует.
Аватара пользователя
stover
 
 
Сообщения: 89
Зарегистрирован: 12 янв 2011, 07:50
Откуда: Красноярск
Благодарил (а): 0 раз.
Поблагодарили: 0 раз.
Имя: Андрей
Автомобиль: Sorento BL, 2.5TD (170 л/с), TOD, AT
Год выпуска: 2006
Доп. информация: EX, 12.2006, рестайл корейской сборки,
Допы: Бинар 5Д-СВ, круиз-контроль, TID-8923 + камера, на конях-FSD.

Re: ТС-6023 (RedPower 8923 KIA) 2 DIN

Сообщение zzxx » 12 июл 2011, 21:27

Нет конечно, так как на фотке с моей рамкой никак не встанет. Но "раскорякой", как на фотке с предыдущего листа темы не выглядит. Стоит вполне гармонично. Фоткать и размещать где-то... сложно для меня, старого и ленивого :roll:

Я от заднего фонаря уже протащил прекрасно не снимая ничего. Тем более там у меня все равно протащен вдоль порога под накладками провод от камеры и провод от указометра газа в баллоне.
zzxx
 
 
Сообщения: 95
Зарегистрирован: 24 янв 2011, 14:35
Откуда: Москва
Благодарил (а): 0 раз.
Поблагодарили: 0 раз.
Имя: Юрий
Автомобиль: Другая машина
Год выпуска: 2012

Re: ТС-6023 (RedPower 8923 KIA) 2 DIN

Сообщение stover » 13 июл 2011, 04:20

ИМХО, как ни ставь - либо щели справа и слева и не плотно снизу к панели с переключателями, либо, если утопить ее немного и выровнять, не вполне удобно пользоваться регулятором громкости. Я выбрал первый вариант, когда магнитола плотно упирается в переднюю рамку и, соответственно до упора максимально выдвинута вперед. под это положение и изготовил крепежные кронштейны.

А выложить файл не сложно :-)
1. сфотографировать на цифровой фотоаппарат или телефон и скопировать на компьютер.
2. приложить файл с фото к ответу в теме.

или, как вариант, можете мне MMS-ку отправить с фото установленной магнитолы - я выложу, мне не сложно :-) (номер отправил в личку)

Добавлено через 4 часа 17 минут 59 секунд:
кому совсем быстро нужна навигация и некогда разбираться что к чему - специально для нашей балалайки по шагам:
1. Скачиваем программу Вторую сверху ссылку под com 2.
2. Распаковываем и копируем папку на microSD и вставляем в верхний левый разъем microSD магнитолы.
3. нажимаем NAVI, ругается на путь к программе навигации, игнорируем и в настройках указываем путь к navistart.exe.
4. запускаем навигацию. появится маленькое окошко. нажимаем на OK.
5. меняем в настройках путь на navitel.exe
6. запускаем навигацию, идем в настройки и меняем скин на phantom.

Ну с картами где и как - тут уж сами. по Красноярскому краю слил бесплатные с [url]24gps.ru[/url]
Аватара пользователя
stover
 
 
Сообщения: 89
Зарегистрирован: 12 янв 2011, 07:50
Откуда: Красноярск
Благодарил (а): 0 раз.
Поблагодарили: 0 раз.
Имя: Андрей
Автомобиль: Sorento BL, 2.5TD (170 л/с), TOD, AT
Год выпуска: 2006
Доп. информация: EX, 12.2006, рестайл корейской сборки,
Допы: Бинар 5Д-СВ, круиз-контроль, TID-8923 + камера, на конях-FSD.

Re: ТС-6023 (RedPower 8923 KIA) 2 DIN

Сообщение zzxx » 13 июл 2011, 13:15

Попробую вечером сфоткать.

Добавлено через 4 дня 18 часов 25 минут 46 секунд:
Вот как-то так:

Добавлено через 1 минуту 53 секунды:
Попытка вторая:
Вложения
IMAGE_006_1.jpg
zzxx
 
 
Сообщения: 95
Зарегистрирован: 24 янв 2011, 14:35
Откуда: Москва
Благодарил (а): 0 раз.
Поблагодарили: 0 раз.
Имя: Юрий
Автомобиль: Другая машина
Год выпуска: 2012

Re: ТС-6023 (RedPower 8923 KIA) 2 DIN

Сообщение stover » 18 июл 2011, 17:45

:-) гармоничность спорна, но... если владельца устраивает - значит все ок.
кстати, если от фантома скин поставить, имхо, навителом удобнее пользоваться будет.
Аватара пользователя
stover
 
 
Сообщения: 89
Зарегистрирован: 12 янв 2011, 07:50
Откуда: Красноярск
Благодарил (а): 0 раз.
Поблагодарили: 0 раз.
Имя: Андрей
Автомобиль: Sorento BL, 2.5TD (170 л/с), TOD, AT
Год выпуска: 2006
Доп. информация: EX, 12.2006, рестайл корейской сборки,
Допы: Бинар 5Д-СВ, круиз-контроль, TID-8923 + камера, на конях-FSD.

Re: ТС-6023 (RedPower 8923 KIA) 2 DIN

Сообщение zzxx » 18 июл 2011, 19:43

Во всяком случае так как есть - мне больше нравится, чем как на фотке на предыдущей странице с торчащим снизу краем. Менять рамку, чтоб было как влитое, неохота совершенно.
Осталось прикрутить "пробки" да выяснить, яндекскарты смогут на ней работать или нет. Хотя и Навител устраивает.
zzxx
 
 
Сообщения: 95
Зарегистрирован: 24 янв 2011, 14:35
Откуда: Москва
Благодарил (а): 0 раз.
Поблагодарили: 0 раз.
Имя: Юрий
Автомобиль: Другая машина
Год выпуска: 2012

Re: ТС-6023 (RedPower 8923 KIA) 2 DIN

Сообщение stover » 19 июл 2011, 09:00

если яндекс-карты есть под Win CE, то запускаться будут.
По поводу пробок:
Мне пришла версия, где USB порт на шнурке подключен к виндовой части, хотя ребята в начале ветки что-то перепаивали.

Планирую на неделе с модемом поиграться.
Аватара пользователя
stover
 
 
Сообщения: 89
Зарегистрирован: 12 янв 2011, 07:50
Откуда: Красноярск
Благодарил (а): 0 раз.
Поблагодарили: 0 раз.
Имя: Андрей
Автомобиль: Sorento BL, 2.5TD (170 л/с), TOD, AT
Год выпуска: 2006
Доп. информация: EX, 12.2006, рестайл корейской сборки,
Допы: Бинар 5Д-СВ, круиз-контроль, TID-8923 + камера, на конях-FSD.

Re: ТС-6023 (RedPower 8923 KIA) 2 DIN

Сообщение 1975 vik » 19 июл 2011, 20:28

День добрый случайно на нашем сайте нарвался вот на такой девайс http://www.navishop.ru/category_26.html пусть простит меня человек который раскопал эту инфу что я перетащил в другую ветку его находку.Народ чего хотел спросить.Смотрю они пишут что можно датчики давления в шинах привязать к магнитоле.Признаюсь очень полезная вещь и как человек который уже оплативший RedPower в Китае и с нетерпением ждущий сей девайс заинтересовался возможностью подключить такие датчики.По фото он сильно схож с RedPower. Помогите понять принцип привязки его с магнитолой. :oops:
Питомник Парсон Рассел терьеров и немецкой овчарки
http://www.mironovshof.jimdo.com
Аватара пользователя
1975 vik
 
 
Сообщения: 105
Зарегистрирован: 08 янв 2010, 19:16
Откуда: belarus
Благодарил (а): 1 раз.
Поблагодарили: 0 раз.
Имя: viktor
Автомобиль: Sorento BL, 2.5TD (170 л/с), Part-Time, AT
Год выпуска: 2003
Доп. информация: korea

Re: ТС-6023 (RedPower 8923 KIA) 2 DIN

Сообщение ShineOn » 19 июл 2011, 21:13

1975 vik писал(а):Помогите понять принцип привязки его с магнитолой.
Если есть соответствующая программа под Windows CE (а она наверняка есть и может быть даже поставляется в комплекте с датчиками), то просто устанавливаешь её на навигатор, для удобства прописываешь иконку со ссылкой в оболочке и используешь по своему усмотрению.
"Главная проблема цитат в Интернете - что все сразу им верят." В.И.Ленин
Аватара пользователя
ShineOn
 
Модератор
 
Сообщения: 31687
Зарегистрирован: 06 авг 2007, 12:41
Откуда: Москва
Благодарил (а): 640 раз.
Поблагодарили: 903 раз.
Имя: Игорь
Автомобиль: Sorento BL, 2.5TD (170 л/с), TOD, AT
Год выпуска: 2007
Доп. информация: EX (кожа-люк), цвет серебро, SuperTOD (2Hi-Auto-4Hi), чипован в CHIPIKO.ru, пружинки H&R

Re: ТС-6023 (RedPower 8923 KIA) 2 DIN

Сообщение zzxx » 19 июл 2011, 22:07

Я проводок впаял, надо дровишки, да все некогда. Квартирный вопрос решаю, это приоритетнее.

Добавлено через 1 день 11 часов 54 минуты 31 секунду:
Мда... фиг найдешь этот драйверок...
zzxx
 
 
Сообщения: 95
Зарегистрирован: 24 янв 2011, 14:35
Откуда: Москва
Благодарил (а): 0 раз.
Поблагодарили: 0 раз.
Имя: Юрий
Автомобиль: Другая машина
Год выпуска: 2012

Re: ТС-6023 (RedPower 8923 KIA) 2 DIN

Сообщение stover » 21 июл 2011, 11:28

4 непонятки с моей магнитолой:
1. подсветка кнопок. только красная, переключается в последовательности - "красная, красная, пусто", то-ли светодиоды одинаковые впаяли, то-ли просто нет зеленой.
2. при заходе в эквалайзер на 2-3 секунды пытается показать уровни, после этого все "падает" вниз.
3. не сохраняется время, хотя к батарее подключено.
4. не играет радио в режиме навигации.

На выходных поставлю новую аудио-панель и камеру заднего вида, заодно перепроверю соединение с аккумулятором.

по части подсветки и глюков эквалайзера и проигрывания звука с м/м части при активной винде какие есть мысли? прошивка?

кстати, кнопочки с руля все отлично прописались.
Аватара пользователя
stover
 
 
Сообщения: 89
Зарегистрирован: 12 янв 2011, 07:50
Откуда: Красноярск
Благодарил (а): 0 раз.
Поблагодарили: 0 раз.
Имя: Андрей
Автомобиль: Sorento BL, 2.5TD (170 л/с), TOD, AT
Год выпуска: 2006
Доп. информация: EX, 12.2006, рестайл корейской сборки,
Допы: Бинар 5Д-СВ, круиз-контроль, TID-8923 + камера, на конях-FSD.

Re: ТС-6023 (RedPower 8923 KIA) 2 DIN

Сообщение avst » 23 июл 2011, 11:14

Из Питера никто не планирует заказывать эту штуку в ближайшее время? Хотелось бы присоединиться.
avst
 
 
Сообщения: 2080
Зарегистрирован: 12 июл 2010, 21:57
Откуда: Санкт-Петербург
Благодарил (а): 148 раз.
Поблагодарили: 83 раз.
Имя: Александр
Автомобиль: Sorento BL, 2.5TD (14X л/с), TOD, AT
Год выпуска: 2005

Re: ТС-6023 (RedPower 8923 KIA) 2 DIN

Сообщение 14kgd » 23 июл 2011, 22:10

Подскажите,плз.,голова с такими размерами
1305277173253302.jpg
нормально встанет в машину конца 2007 г.в. в макс.комплектации ,"русская" , бензин 3,3 ?
Просто я ещё её не забрал и поэтому плохо понимаю в комплектациях и разных там индексах...
А вот головы у китайцев покупал и на другие машинки ставил.

Добавлено через 10 минут 58 секунд:
Кстати я буду брать вот здесь http://www.witson.com/en/displayproduct ... =100675965 .
Я у них брал на SUZUKI G.V. Всё ,что было заявлено - работало.Зимой не глючило.Да и вроде без косяков.
Вложения
1305277322074134.jpg
14kgd
 
 
Сообщения: 53
Зарегистрирован: 20 июл 2011, 19:55
Откуда: Moscow
Благодарил (а): 0 раз.
Поблагодарили: 0 раз.
Имя: GENNADY
Автомобиль: Другая машина
Год выпуска: 2013

Пред.След.

Вернуться в Магнитолы, усилители, сабы и пр.

Кто сейчас на конференции

Сейчас этот форум просматривают: нет зарегистрированных пользователей и гости: 4