Постоянное подруливание

Особенности устройства и эксплуатации элементов подвески и ходовой части автомобилей KIA SORENTO XM F/L (2013MY)

Re: Постоянное подруливание у Соренто13MY

Сообщение Talik » 18 май 2015, 12:01

dimasimal писал(а):и пусть меня еще раз талик за это упрекнет


да вот еще :D
Аватара пользователя
Talik
 
 
Сообщения: 11107
Зарегистрирован: 07 июн 2013, 12:13
Откуда: Масквабад
Благодарил (а): 405 раз.
Поблагодарили: 430 раз.
Имя: Виталий
Автомобиль: Другая машина
Год выпуска: 2021
Доп. информация: Subaru Levorg STi Sport Ex \ Mazda 3 Speed \ Cadillac SRX GMT166

Re: Постоянное подруливание у Соренто13MY

Сообщение sheb » 18 май 2015, 19:14

Взял с другого форума,человек выложил заводские настройки по годам для сход-развала.Может кому нибудь поможет.
Вложения
сход-развал 2014 (4).jpg
сход-развал 2014 (3).jpg
сход-развал 2014 (2).jpg
сход-развал 2014 (1).jpg
Аватара пользователя
sheb
 
 
Сообщения: 51
Зарегистрирован: 10 окт 2011, 18:33
Откуда: Серпухов
Благодарил (а): 8 раз.
Поблагодарили: 5 раз.
Имя: Юрий
Автомобиль: Sorento XM F/L, 2.4 (174 л/с), 4WD, AT
Год выпуска: 2013
Доп. информация: черный

Re: Постоянное подруливание у Соренто13MY

Сообщение dimasimal » 18 май 2015, 21:14

эта програ не обновлялась уже давно, поэтому даже если поставить в 2016 год, то же самое и покажет. это настройки 09-12, правда они немного отличаются от настроек КМР.
Аватара пользователя
dimasimal
 
 
Сообщения: 257
Зарегистрирован: 22 апр 2012, 10:57
Откуда: Сыктывкар
Благодарил (а): 1 раз.
Поблагодарили: 4 раз.
Имя: Дмитрий
Автомобиль: Sorento XM, 2.4 (174 л/с), 4WD, AT
Год выпуска: 2014

Re: Постоянное подруливание у Соренто13MY

Сообщение sheb » 18 май 2015, 21:31

Если внимательно посмотреть ,то разница между 12 и 13 годами есть.
Аватара пользователя
sheb
 
 
Сообщения: 51
Зарегистрирован: 10 окт 2011, 18:33
Откуда: Серпухов
Благодарил (а): 8 раз.
Поблагодарили: 5 раз.
Имя: Юрий
Автомобиль: Sorento XM F/L, 2.4 (174 л/с), 4WD, AT
Год выпуска: 2013
Доп. информация: черный

Re: Постоянное подруливание у Соренто13MY

Сообщение Talik » 18 май 2015, 23:20

Юра, не ведись :)
Отправлено тапком восвояси!
Аватара пользователя
Talik
 
 
Сообщения: 11107
Зарегистрирован: 07 июн 2013, 12:13
Откуда: Масквабад
Благодарил (а): 405 раз.
Поблагодарили: 430 раз.
Имя: Виталий
Автомобиль: Другая машина
Год выпуска: 2021
Доп. информация: Subaru Levorg STi Sport Ex \ Mazda 3 Speed \ Cadillac SRX GMT166

Re: Постоянное подруливание у Соренто13MY

Сообщение Yrlan » 19 май 2015, 08:48

Вставлю свои 5 копеек, был увод влево при движении по ровной дороге, отдал на проверку "сход развал" официалам - некоторые параметры были в красной зоне, исправили, влево больше не ведет, если нужно - могу приложить скан данных.
Изображение
Изображение
Аватара пользователя
Yrlan
 
 
Сообщения: 370
Зарегистрирован: 05 июн 2012, 11:44
Откуда: Дзержинский, МО
Благодарил (а): 335 раз.
Поблагодарили: 40 раз.
Имя: Юрий
Автомобиль: Sorento XM, 2.4 (174 л/с), 4WD, AT
Год выпуска: 2012
Доп. информация: Чипованный от ЧИПиКО. Радуюсь новой динамике.

Re: Постоянное подруливание у Соренто13MY

Сообщение KuR » 19 май 2015, 16:29

Кидай, если не сложно, у меня пока два варианта есть, третий не повредит
KuR
 
 
Сообщения: 102
Зарегистрирован: 27 фев 2015, 12:50
Откуда: Москва
Благодарил (а): 0 раз.
Поблагодарили: 2 раз.
Имя: Кирилл
Автомобиль: Sorento XM F/L, 2.2TD (197 л/с), 4WD, AT
Год выпуска: 2014

Re: Постоянное подруливание у Соренто13MY

Сообщение Mixon » 25 авг 2015, 23:05

На ТО1 у дилера приемщик про возможный увод в стороны сказал, что Соренто очень чувствительна к колейности. Меня уже не беспокоит, съездил до Анапы и обратно, уводов не наблюдал.
Mixon
 
 
Сообщения: 29
Зарегистрирован: 13 фев 2015, 08:11
Откуда: Москва
Благодарил (а): 2 раз.
Поблагодарили: 0 раз.
Имя: Михаил
Автомобиль: Sorento XM F/L, 2.4 (174 л/с), 4WD, AT
Год выпуска: 2014
Доп. информация: Comfort

Re: Постоянное подруливание у Соренто13MY

Сообщение Янц Евгений » 26 авг 2015, 06:31

Mixon писал(а):Соренто очень чувствительна к колейности

Этот приемщик совершенно не компетентен.
По роду деятельности приходится ездить на разных машинах: Паджеро 4, Ауди Q5, Ауди А4, Хайлендер. Могу сказать однозначно, Соренто менее всех чувствителен и к колее и к ветру, идет как по рельсам. При условии правильной геометрии.
Янц Евгений
 
 
Сообщения: 308
Зарегистрирован: 11 фев 2015, 16:11
Откуда: Темиртау
Благодарил (а): 11 раз.
Поблагодарили: 56 раз.
Имя: Евгений
Автомобиль: Sorento XM F/L, 2.4 (174 л/с), 4WD, AT
Год выпуска: 2013

Re: Постоянное подруливание у Соренто13MY

Сообщение Talik » 26 авг 2015, 08:38

Соглашусь с вышесказанным! Как вкопанная!

Отправлено тапком восвояси!
Аватара пользователя
Talik
 
 
Сообщения: 11107
Зарегистрирован: 07 июн 2013, 12:13
Откуда: Масквабад
Благодарил (а): 405 раз.
Поблагодарили: 430 раз.
Имя: Виталий
Автомобиль: Другая машина
Год выпуска: 2021
Доп. информация: Subaru Levorg STi Sport Ex \ Mazda 3 Speed \ Cadillac SRX GMT166

Re: Постоянное подруливание у Соренто13MY

Сообщение abrams » 26 авг 2015, 09:38

В выходные вернулся с юга и могу с уверенностью сказать, идет как танк, пофиг ветер, колея и неважно на какой скорости
Аватара пользователя
abrams
 
 
Сообщения: 435
Зарегистрирован: 25 янв 2013, 18:11
Откуда: колхоз"Красный путь"
Благодарил (а): 20 раз.
Поблагодарили: 52 раз.
Имя: Алексей
Автомобиль: Sorento XM F/L, 2.4 (174 л/с), 4WD, MT
Год выпуска: 2014

Re: Постоянное подруливание у Соренто13MY

Сообщение znatok » 24 сен 2015, 19:41

Та же проблема с подруливанием и стуком в руль.
Сервисмены не слышат и не видят.Сход/развал в допусках.Кто то победил эту болячку?
Аватара пользователя
znatok
 
 
Сообщения: 3
Зарегистрирован: 11 сен 2015, 00:46
Откуда: Россия
Благодарил (а): 0 раз.
Поблагодарили: 0 раз.
Имя: Игорь
Автомобиль: Sorento XM F/L, 2.4 (174 л/с), 4WD, MT
Год выпуска: 2014

Re: Постоянное подруливание у Соренто13MY

Сообщение Янц Евгений » 25 сен 2015, 06:39

znatok писал(а):Та же проблема с подруливанием

Машина дорогу не держит или постоянно тянет в одну сторону?
znatok писал(а):стуком в руль

Здесь не все однозначно. Начать нужно с крепления подрамника, на нем нижние шайбы передних креплений бьют по наружним обоймам сайлентблоков. Нужно выточить новые шайбы.
Обратите внимание на то как криво она садится из за большегона на 2 мм отверстия.
старая.jpg

Здесь мы видим место боя о внешнюю обойму сайлентблока.
старая 2.jpg

Новая шайба.
новая.jpg

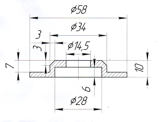
Чертеж новой шайбы.
шайба ч.jpg


Устранив эту недоработку мелкие стыки асфальта перестали передаваться на кузов.
Далее лучше заменить пластиковую втулку рулевой рейки. Я вставлял новую втулку обернутую одним слоем жести из банки от пепси. Рейка в этом случае ходит плотно и с небольшим усилием.
Янц Евгений
 
 
Сообщения: 308
Зарегистрирован: 11 фев 2015, 16:11
Откуда: Темиртау
Благодарил (а): 11 раз.
Поблагодарили: 56 раз.
Имя: Евгений
Автомобиль: Sorento XM F/L, 2.4 (174 л/с), 4WD, AT
Год выпуска: 2013

Re: Постоянное подруливание у Соренто13MY

Сообщение Garyk » 25 сен 2015, 13:21

znatok писал(а):Та же проблема с подруливанием

Если речь именно о "подруливании" (нет четкой фиксации колес при прямолинейном движении), то у меня эта проблема исчезла при устранении просадки задней оси (заменил пружины и амортизаторы). Теперь - как по рельсам.
Garyk
 
 
Сообщения: 75
Зарегистрирован: 13 фев 2013, 10:57
Откуда: Санкт-Петербург
Благодарил (а): 2 раз.
Поблагодарили: 9 раз.
Имя: Игорь
Автомобиль: Sorento XM F/L, 2.4 (174 л/с), 4WD, MT
Год выпуска: 2012

Re: Постоянное подруливание у Соренто13MY

Сообщение znatok » 25 сен 2015, 21:47

Garyk
У меня пробег 15000,а подруливание снови.О какой просадке речь?
Аватара пользователя
znatok
 
 
Сообщения: 3
Зарегистрирован: 11 сен 2015, 00:46
Откуда: Россия
Благодарил (а): 0 раз.
Поблагодарили: 0 раз.
Имя: Игорь
Автомобиль: Sorento XM F/L, 2.4 (174 л/с), 4WD, MT
Год выпуска: 2014

Пред.След.

Вернуться в Подвеска и ходовая (XM F/L)

Кто сейчас на конференции

Сейчас этот форум просматривают: нет зарегистрированных пользователей и гости: 0