BlkDem писал(а):Запомнить нужно одно: проверить на 90% точности можно только выкрутив свечу и включив ее от АКБ.
Думаю, что можно проверить ещё одним способом на 90% точности.
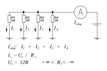
Снять плюсовую клемму с аккумулятора, в разрыв цепи вкл. амперметр, вкл. зажигание в режим нагрева свечей и посмотреть ток потребления. Зная значения тока для одной свечи, можно сделать вывод о их работоспособности. А дальше искать уже "убитую".
PS Здесь коллега писал, что после проверки новых свечей аккумулятором, они быстро вышли из строя.


