Передние и задние проставки

Особенности устройства и эксплуатации элементов подвески и ходовой части автомобилей KIA SORENTO BL (2002..2009)

Передние и задние проставки

Сообщение Accent-58 » 23 апр 2009, 09:20

Чертеж проставок дорестайл и отчет по установке от accent
:arrow: Тема: Передние и задние проставки, Сообщение #1705640, Автор: Accent-58
:!: Чертеж передних проставок дорестай и рестайл одинаковый и находится в отчете.
:arrow: Можно установить вместо проставок подушки LEMFORDER (код для заказа 1797501). Завышение 20-25см.
Тема: Передние и задние проставки, Сообщение #1477340, Автор: Gubkin
:!: Коэффициент для расчета высоты проставки на перед равен 1,8.
Пример- Вам нужно поднять перед машины на 40 мм, высота проставки H=40/1,8=22,2мм.
:!: Максимальное завышение, которое можно сделать без проблем для схождения-развала 52 см спереди и 55 см сзади.
:!: При подъеме задней части автомобиля мост смешается в сторону. Чтобы это скомпенсировать, лучше доработать тягу панара.

Чертеж задних проставок рестайл от accent
:arrow: Тема: Передние и задние проставки, Сообщение #1705880, Автор: Accent-58

Чертеж задних удлинителей отбойников рестайл (на дорестайл не ставились) от accent
:arrow: Тема: Передние и задние проставки, Сообщение #1361614, Автор: Accent-58

Чертеж задних удлинителей аммортизаторов рестайл (на дорестайл не ставились) от accent
:arrow: Тема: Передние и задние проставки, Сообщение #1335235, Автор: Accent-58

Чертеж задних проставок для установки на РЕСТАЙЛ вместе с пружинами H@R от дорестайла от accent
---- Тема: Передние и задние проставки, Сообщение #1255117, Автор: Accent-58
С этими размерами получается завышение 53мм (от центра колеса до арки)
:!: Установка пружин Н@R на рестайл на зад без проставок нежелательно. Будет задевать за раму и издавать неприятные звуки.

---- http://polimer-nsk.ru/static/prices/Kia_prost/ - готовые проставки из полиуретана.

Доработка тяги панара от accent
---- Тема: Выставление углов(схождение,развал,кастер)., Сообщение #1403036, Автор: Accent-58
Последний раз редактировалось Accent-58 02 мар 2017, 07:30, всего редактировалось 21 раз(а).
Аватара пользователя
Accent-58
 
 
Сообщения: 7080
Зарегистрирован: 30 апр 2008, 07:48
Откуда: Пенза
Благодарил (а): 229 раз.
Поблагодарили: 584 раз.
Имя: Александр
Автомобиль: Другая машина
Год выпуска: 2012
Доп. информация: были
SORENTO BL 2.5TD
SORENTO BL 3,3
SORENTO XM 2,4
Сейчас LCP 150

Re: Передние и задние проставки!!!

Сообщение begunok » 21 ноя 2012, 09:34

Andrey-t ну те кто ставят этот полимер должны это понимать :D :lol:

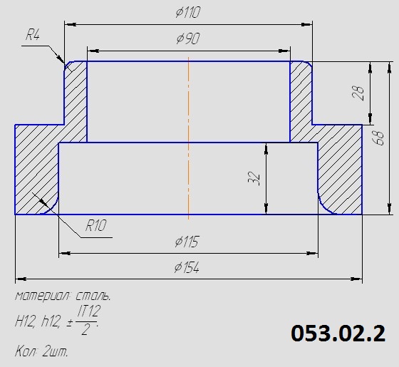
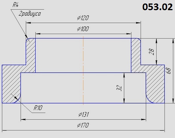
3вот что я на собирал в плане чертежей///Что тут верно я теперь и сам не понимаю;))))
чё так не так подписал по моделям не понимаю;)))
Вложения
053.02.2 рест XM.jpg
053.02.2 Соренто рест ХМ.jpg
053.02 Соренто ДО рест Зад.jpg
Аватара пользователя
begunok
 
 
Сообщения: 78
Зарегистрирован: 06 авг 2012, 09:17
Откуда: Москва/Ярославль
Благодарил (а): 3 раз.
Поблагодарили: 1 раз.
Имя: Андрей
Автомобиль: Другая машина
Год выпуска: 2014
Доп. информация: Hyundai Santa Fe DM 4wd 2.4 black эдишн - High Tech
Доработки: Шумка от begunokART, Резина/диски, Чип НЕ от паулюса!

Re: Передние и задние проставки!!!

Сообщение Andrey-t » 21 ноя 2012, 19:24

С проставками не разобрался, так и пришлось все назад собрать и с подъемника машину снимать..

Мне кажется, у меня какие то не такие проставки...
Вот гляньте? Может это на рестайл?

проставка не подходит.jpg
проставка не подходит.jpg (11.38 КБ) Просмотров: 5392


Заказывал в новосибирске, полиуретан. Передние подошли все ок, зад вот не подошел.
Щас катаюсь с задранной мордой.
"Какой смысл покупать машину, чтобы разъезжать по асфальту?! Там, где асфальт, ничего интересного, а где интересно, там нет асфальта!" Стругацкие
Аватара пользователя
Andrey-t
 
 
Сообщения: 842
Зарегистрирован: 09 ноя 2011, 17:52
Откуда: Россия, Тольятти
Благодарил (а): 7 раз.
Поблагодарили: 14 раз.
Автомобиль: Sorento BL, 3.5 (197 л/с), Part-Time, AT
Год выпуска: 2004
Доп. информация: лада калина :)

Re: Передние и задние проставки!!!

Сообщение YAN » 21 ноя 2012, 19:46

Andrey-t
У дорестайла диаметр равен 140мм.
Вместе-мы СИЛА!
Аватара пользователя
YAN
 
Модератор
 
Сообщения: 32704
Зарегистрирован: 21 дек 2008, 17:18
Откуда: Петроград
Благодарил (а): 1269 раз.
Поблагодарили: 3692 раз.
Имя: Виктор
Автомобиль: Sorento BL, 2.5TD (14X л/с), TOD, AT
Год выпуска: 2002
Доп. информация: Истиный Кореец.С пружинами от Влада.КониХТ.Самоблок2 от ВалРесинг.чип от Андрей13
С фаркопом от Giza, ДХО от PEI и супер-TOD от BlkDem

Re: Передние и задние проставки!!!

Сообщение Andrey-t » 21 ноя 2012, 19:52

YAN писал(а):Andrey-t
У дорестайла диаметр равен 140мм.


а не 170? на чертежах выше вроде 170 для дорестайл.
Вы скажите, мне с новосибом ругаться насчет "не то прислали", или у меня машина неправильная?
"Какой смысл покупать машину, чтобы разъезжать по асфальту?! Там, где асфальт, ничего интересного, а где интересно, там нет асфальта!" Стругацкие
Аватара пользователя
Andrey-t
 
 
Сообщения: 842
Зарегистрирован: 09 ноя 2011, 17:52
Откуда: Россия, Тольятти
Благодарил (а): 7 раз.
Поблагодарили: 14 раз.
Автомобиль: Sorento BL, 3.5 (197 л/с), Part-Time, AT
Год выпуска: 2004
Доп. информация: лада калина :)

Re: Передние и задние проставки!!!

Сообщение YAN » 21 ноя 2012, 19:59

Andrey-t писал(а):а не 170?

Наружный,а внутренний 140.
Вместе-мы СИЛА!
Аватара пользователя
YAN
 
Модератор
 
Сообщения: 32704
Зарегистрирован: 21 дек 2008, 17:18
Откуда: Петроград
Благодарил (а): 1269 раз.
Поблагодарили: 3692 раз.
Имя: Виктор
Автомобиль: Sorento BL, 2.5TD (14X л/с), TOD, AT
Год выпуска: 2002
Доп. информация: Истиный Кореец.С пружинами от Влада.КониХТ.Самоблок2 от ВалРесинг.чип от Андрей13
С фаркопом от Giza, ДХО от PEI и супер-TOD от BlkDem

Re: Передние и задние проставки!!!

Сообщение Accent-58 » 21 ноя 2012, 20:33

ну поставь 2 резинки с двух сторон проставки. Я это уже писал ранее.
ಠ_ಠ Изображениеಠ_ಠ
Аватара пользователя
Accent-58
 
 
Сообщения: 7080
Зарегистрирован: 30 апр 2008, 07:48
Откуда: Пенза
Благодарил (а): 229 раз.
Поблагодарили: 584 раз.
Имя: Александр
Автомобиль: Другая машина
Год выпуска: 2012
Доп. информация: были
SORENTO BL 2.5TD
SORENTO BL 3,3
SORENTO XM 2,4
Сейчас LCP 150

Re: Передние и задние проставки!!!

Сообщение Andrei_sochi » 23 ноя 2012, 05:54

....если хватит терпения и возможностей - можно заменить штатную заднюю пружину на пружину от сотки с гидрой - она как раз под наш вес, обеспечивает необходимый лифт и хода подвески примерно на треть большие чем наши.
Но резать надо верхнюю чашку, т.е мост надо выкатить полностью.
Andrei_sochi
 
 
Сообщения: 175
Зарегистрирован: 29 мар 2009, 13:51
Откуда: Краснодар
Благодарил (а): 0 раз.
Поблагодарили: 1 раз.
Имя: Andrei
Автомобиль: Sorento BL, 2.5TD (170 л/с), TOD, MT
Год выпуска: 2008

Re: Передние и задние проставки!!!

Сообщение lord-xx » 23 ноя 2012, 06:31

Странно, что все еще мучаются про проставки, на форуме. Здесь уже была тема про них и их уже давно делают. Себе поставил еще два года назад, перед высота проставки 3,5 см, зад 5 см. удлинители идут в комплекте.
Аватара пользователя
lord-xx
 
 
Сообщения: 325
Зарегистрирован: 01 дек 2009, 00:24
Откуда: Москва(пос. Салтыковка)
Благодарил (а): 0 раз.
Поблагодарили: 0 раз.
Имя: Виктор
Автомобиль: Sorento BL, 3.5 (197 л/с), Part-Time, AT
Год выпуска: 2003

Re: Передние и задние проставки!!!

Сообщение begunok » 23 ноя 2012, 08:36

Итого:
- ДОрестайл- пружина внешний диаметр 170мм/ внутренний диаметр 140 не важен
- Рестайл/гламур R- пружина внешний диаметр типа 130!? или 115!? у кого есть достоверные размеры?

Andrey-t писал(а):Мне кажется, у меня какие то не такие проставки...
Вот гляньте? Может это на рестайл?
проставка не подходит.jpg
Надевали на пружину или во внутрь вставляли проставку? если Надевали то на сколько не подошло и так вычислим какой чертёж верный;) или Вы замерили может пруджину вдруг....что облегчит жизнь

Ругаться однозначно;) если указали в заказе конкретно что за машина у Вас то обязаны выслать новый комплект который подойдёт, для достоверности я бы фотки сделал.....что где как не подошло
Аватара пользователя
begunok
 
 
Сообщения: 78
Зарегистрирован: 06 авг 2012, 09:17
Откуда: Москва/Ярославль
Благодарил (а): 3 раз.
Поблагодарили: 1 раз.
Имя: Андрей
Автомобиль: Другая машина
Год выпуска: 2014
Доп. информация: Hyundai Santa Fe DM 4wd 2.4 black эдишн - High Tech
Доработки: Шумка от begunokART, Резина/диски, Чип НЕ от паулюса!

Re: Передние и задние проставки!!!

Сообщение Andrey-t » 24 ноя 2012, 01:53

begunok писал(а):Ругаться однозначно;) если указали в заказе конкретно что за машина у Вас то обязаны выслать новый комплект который подойдёт, для достоверности я бы фотки сделал.....что где как не подошло


прислал им (в новосибирск) 2 чертежа, той которая у меня проставка, и той которая на форуме для дорестайла.
Какую то фигню говорят, типа все довольны претензий ни у кого нет.

У меня просто машина "американец", и по ходовке много чего необычного, колодки специфичные, сайленты.
Может и проставки тоже? Хотя на СТО мерили, говорят 170мм прям как надо войдут.

Пока поставили только вперед, катаюсь мордой вверх всех слеплю :)
"Какой смысл покупать машину, чтобы разъезжать по асфальту?! Там, где асфальт, ничего интересного, а где интересно, там нет асфальта!" Стругацкие
Аватара пользователя
Andrey-t
 
 
Сообщения: 842
Зарегистрирован: 09 ноя 2011, 17:52
Откуда: Россия, Тольятти
Благодарил (а): 7 раз.
Поблагодарили: 14 раз.
Автомобиль: Sorento BL, 3.5 (197 л/с), Part-Time, AT
Год выпуска: 2004
Доп. информация: лада калина :)

Re: Передние и задние проставки!!!

Сообщение begunok » 27 ноя 2012, 15:57

ХМ 170мм пружину я ещё не видел на корейцах;) максимум 150 и 160! это на йх55 и карнивале..... сделать реально;) уже и примеряли
но ты добей лучше тех хренов с нск;)
обязаны или вернуть денег или пусть товар меняют
Аватара пользователя
begunok
 
 
Сообщения: 78
Зарегистрирован: 06 авг 2012, 09:17
Откуда: Москва/Ярославль
Благодарил (а): 3 раз.
Поблагодарили: 1 раз.
Имя: Андрей
Автомобиль: Другая машина
Год выпуска: 2014
Доп. информация: Hyundai Santa Fe DM 4wd 2.4 black эдишн - High Tech
Доработки: Шумка от begunokART, Резина/диски, Чип НЕ от паулюса!

Re: Передние и задние проставки!!!

Сообщение мфорд » 04 дек 2012, 11:50

имеются проставки передние,авто продан а проставки остались,может кому нибудь надо?
мфорд
 
 
Сообщения: 13
Зарегистрирован: 02 июл 2012, 03:30
Откуда: пермь
Благодарил (а): 0 раз.
Поблагодарили: 0 раз.
Имя: николай
Автомобиль: Sorento BL, 2.5TD (14X л/с), TOD, AT
Год выпуска: 2002

Re: Передние и задние проставки!!!

Сообщение finn_55 » 04 дек 2012, 11:56

мфорд писал(а):имеются проставки передние,авто продан а проставки остались

Николай, какой размер? самодельные или новосибирские? какая цена?
Изображение
Аватара пользователя
finn_55
 
 
Сообщения: 4343
Зарегистрирован: 17 июн 2009, 16:37
Откуда: Омск
Благодарил (а): 117 раз.
Поблагодарили: 194 раз.
Имя: Сергей
Автомобиль: Sorento BL, 2.5TD (170 л/с), Part-Time, AT
Год выпуска: 2007
Доп. информация: черный

Re: Передние и задние проставки!!!

Сообщение мфорд » 04 дек 2012, 12:20

мне присылал форумчанин -sem-как появится,дак скажет какой размер,а я как получил посылку так и лежат запечатаные :D даже не смотрел
мфорд
 
 
Сообщения: 13
Зарегистрирован: 02 июл 2012, 03:30
Откуда: пермь
Благодарил (а): 0 раз.
Поблагодарили: 0 раз.
Имя: николай
Автомобиль: Sorento BL, 2.5TD (14X л/с), TOD, AT
Год выпуска: 2002

Re: Передние и задние проставки!!!

Сообщение sem » 04 дек 2012, 14:22

sem писал(а):
могу предложить передние проставки (толщ. 15мм, дают привышение передка на28-30мм)в комплекте с чашками и удленителями шпилек к ним.

Добавлено через 1 минуту 12 секунд:
это те которые я отправлял МФОРДу
Аватара пользователя
sem
 
 
Сообщения: 420
Зарегистрирован: 10 июл 2009, 13:25
Откуда: Дубна М.О.
Благодарил (а): 0 раз.
Поблагодарили: 4 раз.
Имя: Станислав
Автомобиль: Sorento XM, 2.4 (174 л/с), 4WD, AT
Год выпуска: 2009
Доп. информация: чиповка в чипико. был сорик 2006, 170 л.с,TOD, АТ, кореец. чиповка в чипико. был сорик 2004, 145 л.с,TOD, АТ. чипован.

Пред.След.

Вернуться в Подвеска и ходовая (BL)

Кто сейчас на конференции

Сейчас этот форум просматривают: нет зарегистрированных пользователей и гости: 1