Всем доброе время суток. В общем долгая история как но я стал обладателем kia sorento. Сразу извиняюсь что не отметился в ветке новичков и без фото. Просто сейчас загружен дико но честно обещаю позднее всё сделаю. А сейчас у меня назрел вопрос на который сам я ответ найти не смог и надеюсь на вашу помощь коллеги. В общем для начала про машину - kia sorento, 2007 год выпуска, 2.5 литра, турбодизель, 170 лошадей, механика, подключаемый 4wd. В общем в момент покупки я проворонил и не заметил то что мотор не раскручивается выше 3000 оборотов. Когда начал разбираться прочитал что это аварийный режим мотора, в который он вылетает из за ошибок по электронике и топливной. Чек на тот момент не горел. Машина тянула неплохо но выше 3000 как будто была отсечка, правда пару раз было такое что переставало тянуть после 2000 как будто турбина не включалась. Тянул в эти моменты мотор очень плохо , но с трудом всегда до 3000 раскручивался. На днях поменял ей топливный фильтр и поставил сепар (шланги на него были прокинуты до меня просто у предыдущего владельца треснул корпус). Потом помучавшись с топливной (по запарке проставку которая стоит над фильтром поставил вверх ногами и из под неё травило дизель) всё же прокачал и завёл. Все нормально не дымит ничего но как раньше не крутится выше 3000 и загорелся чек. Вечером поставил на стоянку, с утра завёл чек не горит. В течении дня загорелся снова. На третье утро сново погас и я как раз поехал на диагностику. По диагностике было некоторое количество незначительных ошибок (в основном по лампочкам приборки) я так понял что это связано с тем что ставили сигналку незадолго до этого и включали зажигание без приборки. После сброса всех ошибок осталась одна, мотор не видит датчик расхода воздуха. Фишка на него по какой то причине была до этого полностью отрезана и соединена клемником. Я купил новый расходомер (28164-27800) и в гараже пропаял все провода хорошо заизолировал и собрал всё обратно. После чего поехал на диагностику снова. Ошибка по расходомеру так и висит, не скидывается, и мотор показания с датчика не видит. Ну и соответственно всё также не крутится выше 3000.
Итак вследствии всего вышесказанного прошу помощи:
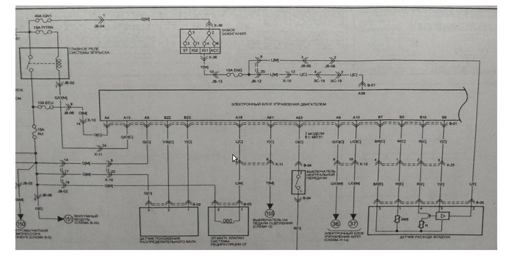
1. Нет ли у кого распиновки расходомера чтобы прозвонить его? (как я думаю там два провода + и - , один сигнальный и еще два датчик температуры.) по книге нашел только +, все остальные уходят в мозг.
2. Есть ли у соренто какие нибудь болезни связанные с расходомером? (поиском ничего не нашел)
3. Есть ли у кого мысли по этому поводу?
p/s. авто не дымит, тянет неплохо, расход топлива в норме (примерно 8-9).
p/p/s заранее спасибо за ответы, очень надеюсь на вашу помощь...
Добавлено через 51 секунду:Re: Потеря мощности... двигатель не раскручивается свыше 3000 обВот страница из книги. Насколько я понимаю провод подписанный L(E) идущий к контакту 2 это + на датчик появляющийся при включении зажигания, а вот как вычислить остальные провода ума не приложу

- .