"Удлинитель поворотов". Вопросы. Установка.

Особенности устройства и эксплуатации электрической части автомобилей KIA SORENTO BL (2002..2009)

"Удлинитель поворотов". Вопросы. Установка.

Сообщение BlkDem » 20 янв 2011, 18:53

Приветствую, коллеги!

По просьбе Виктора, ака YAN, создаю эту тему.
Что это и с чем едят http://www.kia-club.com.ua/kia/viewtopi ... 25&t=19571

В кратце что умеет:
- при коротком нажатии на рычаг поворотов (не до щелчка) повороты отмигают три раза (по умолчанию);
- функция "Спасибо" двойное мигание "аварийкой" по кратковременному нажатию на кнопку "аварийки" ;
- при изменении направления включения поворотов, предыдущий выключается;
- при штатном включении поворотов, после выключения повороты "удлинняться" не будут;
- програмируемое число миганий от 1-го до 16-и;
- при движении "задним ходом" автоматически включается "аварийка" (при подключении соответствующего вывода)
- при инсталляции не нужно ничего резать, девайс подключается параллельно в разъем аварийки


Оба устройства, и LC 1.2 и LC 1.4 можно приобрести, и установка не представляется какой-то сложностью, но есть один момент... :D
Первое устройство: "Подходит на все автомобили у которых стоит реле поворотов управляемое током, с центральным положительным проводом, управление "аварийкой" осуществляется отрицательной полярностью (минусом)"
Второе, соответственно, "плюсом".

Внимание, вопрос! :D
Как у нас, на классике, управляется сие реле? Или просто: какой девайс нам подойдет?
Заказать модифицированную трансмиссию можно в партнерской теме - Тема: "SuperTOD-2" от BlkDem
Аватара пользователя
BlkDem
 
Модератор
 
Сообщения: 24225
Зарегистрирован: 16 сен 2009, 12:01
Откуда: TR
Благодарил (а): 1567 раз.
Поблагодарили: 1258 раз.
Имя: Максим
Автомобиль: Sorento BL, 2.5TD (170 л/с), TOD, AT
Год выпуска: 2007
Доп. информация: Был SORENTO 2.5TD 2002 г.
SuperTOD II, Бинар, CB

Re: "Удлинитель поворотов". Вопросы. Установка.

Сообщение PEI » 20 янв 2011, 22:50

Полезная и удобная штука - этот удлинитель.
На машине жены такая приблуда штатная. С удовольствием поставил бы на Сорика. Вот только с электрикой разобраться бы.
Изображение
PEI
 
 
Сообщения: 850
Зарегистрирован: 05 янв 2009, 21:57
Откуда: Санкт-Петербург
Благодарил (а): 1 раз.
Поблагодарили: 23 раз.
Имя: Евгений
Автомобиль: Другая машина
Год выпуска: 2017
Доп. информация: теперь SPORTAGE-4 2,0AT 4WD

Re: "Удлинитель поворотов". Вопросы. Установка.

Сообщение GeodeZ » 20 янв 2011, 22:56

У меня на Астре такие поворотники штатные. Сначала привыкал, а потом даже довольно удобно оказалось, хотя люблю сам всё ручками включать и выключать. Даже не знаю зачем мне климат-контроль? Регулирую всё вручную :D
Аватара пользователя
GeodeZ
 
 
Сообщения: 9702
Зарегистрирован: 01 окт 2009, 11:00
Откуда: Балтийский берег, Невская земля
Благодарил (а): 192 раз.
Поблагодарили: 2096 раз.
Имя: Борис
Автомобиль: Другая машина
Год выпуска: 2014
Доп. информация: Chevrolet Tahoe
5.3V8/4WD/AT/8мест

Re: "Удлинитель поворотов". Вопросы. Установка.

Сообщение BlkDem » 21 янв 2011, 05:06

Блин, на улице -27. Как-то не айс разбирать консоль для прозвона...
Заказать модифицированную трансмиссию можно в партнерской теме - Тема: "SuperTOD-2" от BlkDem
Аватара пользователя
BlkDem
 
Модератор
 
Сообщения: 24225
Зарегистрирован: 16 сен 2009, 12:01
Откуда: TR
Благодарил (а): 1567 раз.
Поблагодарили: 1258 раз.
Имя: Максим
Автомобиль: Sorento BL, 2.5TD (170 л/с), TOD, AT
Год выпуска: 2007
Доп. информация: Был SORENTO 2.5TD 2002 г.
SuperTOD II, Бинар, CB

Re: "Удлинитель поворотов". Вопросы. Установка.

Сообщение YAN » 21 янв 2011, 09:37

PEI писал(а):
Скидываю ссылочку по теме
http://silich.ru/forum/showthread.php?t=555

А вообще в поисковике набрал "удлинитель поворотов" выскочило много интересного.

вот из свежего
http://www.lkforum.ru/showthread.php?t=22534

Вместе-мы СИЛА!
Аватара пользователя
YAN
 
Модератор
 
Сообщения: 32704
Зарегистрирован: 21 дек 2008, 17:18
Откуда: Петроград
Благодарил (а): 1267 раз.
Поблагодарили: 3692 раз.
Имя: Виктор
Автомобиль: Sorento BL, 2.5TD (14X л/с), TOD, AT
Год выпуска: 2002
Доп. информация: Истиный Кореец.С пружинами от Влада.КониХТ.Самоблок2 от ВалРесинг.чип от Андрей13
С фаркопом от Giza, ДХО от PEI и супер-TOD от BlkDem

Re: "Удлинитель поворотов". Вопросы. Установка.

Сообщение Sir Antony » 06 апр 2012, 08:50

Что-то тема заглохла давно...
Хотел бы уточнить какое из представленных тут контроллеров подходит для дорестайла?
Всем всего хорошего :)
Изображение
Аватара пользователя
Sir Antony
 
 
Сообщения: 1610
Зарегистрирован: 21 авг 2008, 01:55
Откуда: Москва, СВАО - Мытищи
Благодарил (а): 3 раз.
Поблагодарили: 16 раз.
Имя: Антон
Автомобиль: Другая машина
Год выпуска: 2016
Доп. информация: Был Sorento BL EX 2.4 TOD MT, 2005.
Теперь Santa Fe DM Dynamic 2.4 MPI 4WD AT, 2015

Re: "Удлинитель поворотов". Вопросы. Установка.

Сообщение agris » 07 июн 2012, 18:33

Sir Antony писал(а):Что-то тема заглохла давно...
Хотел бы уточнить какое из представленных тут контроллеров подходит для дорестайла?

Судя из найденных мной схем, не один из перечисленных удлинителей не подойдет. Причина в полярности сигнала управления поворотниками, смотрите прикрепленный файл. Производитель к осени обещает подогнать новую модель удлинителя LC-1.8, функциональный (но не аппаратный) аналог LC-1.6.
Я, правда, как и всякий человек, могу ошибаться, по причине отсутствия у меня схем аварийной сигнализации на конкретный автомобиль (рестайлы, дорестайлы...) Например на КИА СОУЛ успешно был установлен удлинитель поворотов LC-1.4, на соул-клубе человек даже видео его работы выложил.
Вложения
CERATO.jpeg
agris
 
 
Сообщения: 3
Зарегистрирован: 07 июн 2012, 18:21
Откуда: Kyiv
Благодарил (а): 0 раз.
Поблагодарили: 0 раз.
Имя: Жора
Автомобиль: Другая машина
Год выпуска: 2013

Re: "Удлинитель поворотов". Вопросы. Установка.

Сообщение PEI » 07 июн 2012, 23:14

agris писал(а):Судя из найденных мной схем

Не похожа схема на классический Соренто.
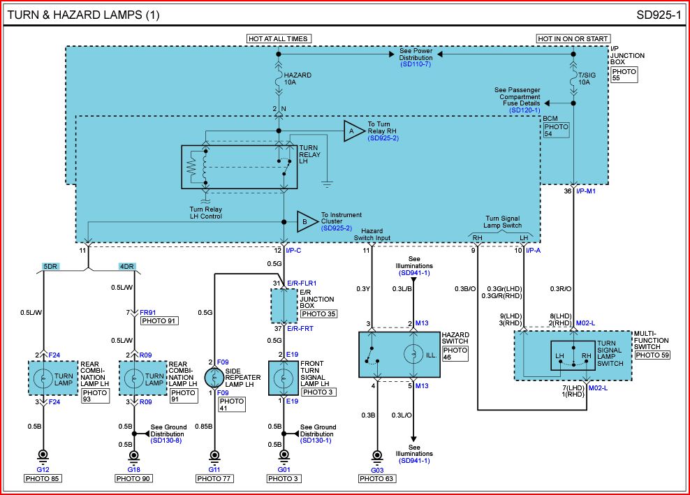
agris, ниже привожу схемы поворотников и аварийки от Соренто-классик. До- и рестайл одинаковые.
Так что, я думаю, можно приспособить какой нибудь из уже разработанных модулей.
Вопрос только в том, как наладить связь с Украиной, я имею ввиду деньги и пересылка.

Изображение

Изображение
Изображение
PEI
 
 
Сообщения: 850
Зарегистрирован: 05 янв 2009, 21:57
Откуда: Санкт-Петербург
Благодарил (а): 1 раз.
Поблагодарили: 23 раз.
Имя: Евгений
Автомобиль: Другая машина
Год выпуска: 2017
Доп. информация: теперь SPORTAGE-4 2,0AT 4WD

Re: "Удлинитель поворотов". Вопросы. Установка.

Сообщение agris » 08 июн 2012, 10:25

PEI писал(а):Не похожа схема на классический Соренто.

Ясное дело не похожа, она же для Церато :) это все что удалось найти
PEI писал(а):Так что, я думаю, можно приспособить какой нибудь из уже разработанных модулей.

Вот смотрю я на схемы и действительно можно запросто подключить LC-1.2 или LC-1.4 на кнопочку аварийки. Выкладываю схему подключения, цвета соответствуют проводам удлинителя поворотов. Еще такой вопрос: регулировка яркости подсветки есть в Соренто? Это я к чему спрашиваю, ежели регулировки яркости нет, то массу можно взять на одном из контактов лампы подсветки аварийки, иначе придется массу брать с кузова, или из других доступных точек, что не всегда удобно
PEI писал(а):Вопрос только в том, как наладить связь с Украиной, я имею ввиду деньги и пересылка.

Чего проще :D зайди на сайт в раздел "Оплата товара" и "Доставка товара"
Вложения
Sorento_LC1.4.jpg
Подключение удлинителя поворотов LC-1.4 на KIA Sorento
agris
 
 
Сообщения: 3
Зарегистрирован: 07 июн 2012, 18:21
Откуда: Kyiv
Благодарил (а): 0 раз.
Поблагодарили: 0 раз.
Имя: Жора
Автомобиль: Другая машина
Год выпуска: 2013

Re: "Удлинитель поворотов". Вопросы. Установка.

Сообщение avst » 08 июн 2012, 11:26

Написал я им. Молчат-с.....
avst
 
 
Сообщения: 2080
Зарегистрирован: 12 июл 2010, 21:57
Откуда: Санкт-Петербург
Благодарил (а): 148 раз.
Поблагодарили: 83 раз.
Имя: Александр
Автомобиль: Sorento BL, 2.5TD (14X л/с), TOD, AT
Год выпуска: 2005

Re: "Удлинитель поворотов". Вопросы. Установка.

Сообщение PEI » 08 июн 2012, 11:48

agris
если ты имеешь отношение к "Автофичи" поясни следующее:
* в чем разница LC-1.2 и LC-1.4 (для наших машин с буквой H, если правильно понял)
* деньги можно кинуть на номер МТС или Мегафон ?
* сколько будет стоить доставка до Питера почтой Украины ?

По поводу "земли". Подсветка на соренто светодиодная, сотв. провод подсветки расчитан на малые токи и цеплять
туда землю я думаю не стоит. А так встречаются модели а/м и с регулятором подсветки и без регулятора.
Изображение
PEI
 
 
Сообщения: 850
Зарегистрирован: 05 янв 2009, 21:57
Откуда: Санкт-Петербург
Благодарил (а): 1 раз.
Поблагодарили: 23 раз.
Имя: Евгений
Автомобиль: Другая машина
Год выпуска: 2017
Доп. информация: теперь SPORTAGE-4 2,0AT 4WD

Re: "Удлинитель поворотов". Вопросы. Установка.

Сообщение agris » 08 июн 2012, 12:54

PEI писал(а):* в чем разница LC-1.2 и LC-1.4 (для наших машин с буквой H, если правильно понял)

Буква в конце влияет только на полярность управляющего сигнала заднего хода (мигание аварийкой при движении задним ходом), соответственно Н - управление +12В, L - управление массой. Если подключать не собираемся, то буква не критична.
PEI писал(а):* деньги можно кинуть на номер МТС или Мегафон ?
в личке
PEI писал(а):* сколько будет стоить доставка до Питера почтой Украины ?
в личке
PEI писал(а):По поводу "земли". Подсветка на соренто светодиодная, сотв. провод подсветки расчитан на малые токи и цеплять
туда землю я думаю не стоит. А так встречаются модели а/м и с регулятором подсветки и без регулятора.

А там большим токам взяться неоткуда, большими токами коммутируются только повороты.
agris
 
 
Сообщения: 3
Зарегистрирован: 07 июн 2012, 18:21
Откуда: Kyiv
Благодарил (а): 0 раз.
Поблагодарили: 0 раз.
Имя: Жора
Автомобиль: Другая машина
Год выпуска: 2013

Re: "Удлинитель поворотов". Вопросы. Установка.

Сообщение Страусь » 08 июн 2012, 13:46

Я как раз недавно задумался над этой штукой. Спасибо за информацию.
Заказал LC-1.4, придет, попробую, отпишу.
В этот дождливый пасмурный день, я одетый в черное пальто, в черный костюм, черные ботинки и черную шляпу, с черным рюкзаком пришел забрать из приюта своего черного Прайма...
Аватара пользователя
Страусь
 
Модератор
 
Сообщения: 20200
Зарегистрирован: 31 авг 2006, 14:28
Откуда: Екатеринбург
Благодарил (а): 155 раз.
Поблагодарили: 642 раз.
Имя: Алексей
Автомобиль: Sorento UM, 2.2TD (200 л/с), 4WD, AT, 7 мест
Год выпуска: 2016
Доп. информация: Был рестайл 2.5 дизель. Самые тёплые воспоминания.

Re: "Удлинитель поворотов". Вопросы. Установка.

Сообщение avst » 08 июн 2012, 14:40

agris писал(а):PEI писал(а):
* деньги можно кинуть на номер МТС или Мегафон ?
в личке
PEI писал(а):
* сколько будет стоить доставка до Питера почтой Украины ?
в личке

Жора, как я понял, ты решил заняться распространением этого изделия в клубе или ты и есть распространитель с сайта?
avst
 
 
Сообщения: 2080
Зарегистрирован: 12 июл 2010, 21:57
Откуда: Санкт-Петербург
Благодарил (а): 148 раз.
Поблагодарили: 83 раз.
Имя: Александр
Автомобиль: Sorento BL, 2.5TD (14X л/с), TOD, AT
Год выпуска: 2005

Re: "Удлинитель поворотов". Вопросы. Установка.

Сообщение PEI » 08 июн 2012, 15:08

agris
А в чем разница между LC-1.2 и LC-1.4?
Про буквы Н и L понятно.

по остальным вопросам отписал в личку
Изображение
PEI
 
 
Сообщения: 850
Зарегистрирован: 05 янв 2009, 21:57
Откуда: Санкт-Петербург
Благодарил (а): 1 раз.
Поблагодарили: 23 раз.
Имя: Евгений
Автомобиль: Другая машина
Год выпуска: 2017
Доп. информация: теперь SPORTAGE-4 2,0AT 4WD

След.

Вернуться в Электрика и электроника (BL)

Кто сейчас на конференции

Сейчас этот форум просматривают: нет зарегистрированных пользователей и гости: 4