.... замены моторчика бочка омывателя.
Добрый день.
Заголовок ограничен числом знаков, посему перенес мысль в текст поста.
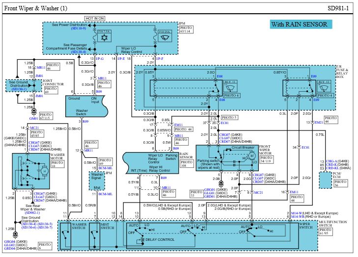
Поменял моторчик подачи омывающей жидкости по кончине предыдущего.
Меняли в клубном сервисе, моторчик предоставлен ими.
После замены:
1. Вода подается на лобовое, стеклоочистители чистят.
2. Вместе с работой передних стеклоочистителей начинает работать задняя щетка.
3. Вода при этом на заднее стекло не подается.
4. При подаче воды на заднее стекло вода не идет.
При написании поста осознаю, что не фиксировал работу/состояние покоя задней щетки при работающих передних стеклоочистителей в дождь без подачи воды на лобовое из бочка.
Понимаю, что при подаче на лобовое задняя щетка работать не должна.
Но и изменение логики по причине замены моторчика заставила залипнуть на пару дней.
Вопрос - что можно придумать?
Иного моторчика на подмену нет.
Но и во влияние моторчика на логику верю с трудом.
