Сегодня поставил стойки с картриджами КОНИ на FL!
Процедура вживления:
1. Приобретаем стойки. Приобретал у Артура вместе с втулками.
2. Стягиваем пластиковый колпак, в дне по центру сверлим отверстие, выпускаем газ, сливаем масло и отрезаем сапог на расстоянии 35 мм от
верха. ( Кто собирается лифтовать заменой пружин на 25 мм, отрезает на расстоянии 20 мм.)
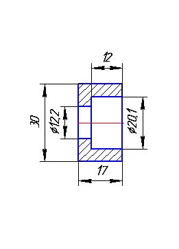
3. Точим втулку по чертежу. ( Кто собирается лифтовать заменой пружин на 25 мм, втулка не нужна)

- втулка.jpg (32.9 КБ) Просмотров: 4773
4. В дне сапога растачиваем отверстие до диаметра 22-23 мм. ( Кто собирается лифтовать заменой пружин на 25 мм, диаметр отверстия и
крепление картриджа точно по инструкции)
5. Наматываем на низ картриджа малярный скотч, чтобы он плотно входил в сапог и точно отцентровал втулку.
Вставляем картридж, прикручиваем
болтом нижнюю втулку и прихватываем сваркой. Вытаскиваем картридж, обвариваем нижнюю втулку затем вставляем и привариваем верхнюю
втулку. Красим.
6. Вставляем картридж и обильно наносим герметик в районе "пупырышков"Для герметизации картриджа сверху. Это необходимо сделать в виду
того что резиновые манжеты входящие в комплект к картриджам делают невозможным установку родных пластиковых колпаков, служащих
пылезащитой.
7. Болтом из комплекта но без контровочной шайбы задавливаем картридж наместо. Откручиваем болт, ставим шайбу, смазываем болт обильно
герметиком, затягиваем.
8. Пластиковый колпак перед установкой необходимо нагреть пром. феном до температуры примерно 100-120 градусов и руками в перчатках
посадить на картридж до упора. Не пытайтесь засандалить его в холодном состоянии.
Пластиковую шайбу из комплекта не используем т.к. родной колпак имеет прорези для отвода воздуха а лишняя высота нам не нужна.
Ставим на авто, регулируем наслаждаемся.
Добавлено через 15 минут 56 секунд:Vladsprings писал(а):Странно, что уже вживляли эти картриджи на ХМ ФЛ - и никто ничего не говорил про более короткие стойки
Артур, смотри что получилось. Это с нижней втулкой, по второму варианту.
Это высота штока от упорной шайбы. (Слева сток, справа КОНИ) (Линейка не с ноля, +еще 2мм)
Это получившаяся высота стоек по второму варианту. Стойки снизу установлены на одной высоте. Разница 6мм. (Слева сток, справа КОНИ)
Добавлено через 11 минут 31 секунду:Теперь о ощущениях.
Стало заметно мягче, исчезла "дубовость" подвески при отсутствии раскачки. Иногда даже кажется что колебаний после кочки меньше. Передок стал более сбалансирован с задней подвеской, нет козления на крупных волнах. Исчезли буханья опор, хотя возможно это из за их замены. Жесткость поставил 180 градусов, по-моему само то.
Итог: Мне понравилось.