Снятие/установка и распиновка магнитолы SORENTO (2002..2009)

Особенности устройства и эксплуатации электрической части автомобилей KIA SORENTO BL (2002..2009)

Re: Снятие/установка и распиновка магнитолы SORENTO (2002..2

Сообщение мухтар » 07 янв 2017, 11:24

Илья 474 писал(а): Провода чикать не хочется


А как решил проблему с проводами?
Почикал ?
мухтар
 
 
Сообщения: 651
Зарегистрирован: 18 фев 2013, 22:27
Откуда: махачкала
Благодарил (а): 23 раз.
Поблагодарили: 50 раз.
Имя: мухтар
Автомобиль: Sorento BL, 2.5TD (170 л/с), TOD, AT
Год выпуска: 2007
Доп. информация: модель KIA BL SORENTO (JC5248) сборка РОССИЯ

Re: Снятие/установка и распиновка магнитолы SORENTO (2002..2

Сообщение Илья 474 » 07 янв 2017, 15:51

мухтар
Нет, к проводам от магнитолки прицепили "папы" и воткнули в штатный разъём согласно схеме
Аватара пользователя
Илья 474
 
 
Сообщения: 279
Зарегистрирован: 27 апр 2016, 10:06
Откуда: Балашиха
Благодарил (а): 4 раз.
Поблагодарили: 9 раз.
Имя: Илья
Автомобиль: Sorento BL, 2.5TD (14X л/с), TOD, AT
Год выпуска: 2005
Доп. информация: SuperTOD (GE)

Re: Снятие/установка и распиновка магнитолы SORENTO (2002..2

Сообщение Leonidma » 03 июл 2017, 15:05

Всем привет! Есть у кого распиновка фишки cd changers на штатной магнитоле А 14014? Искал на форуме и гугле но не нашел :cry:
Leonidma
 
 
Сообщения: 14
Зарегистрирован: 25 июн 2017, 05:55
Откуда: Комсомольск на Амуре
Благодарил (а): 1 раз.
Поблагодарили: 0 раз.
Имя: Леонид
Автомобиль: Sorento BL, 2.5TD (14X л/с), TOD, AT
Год выпуска: 2002

Re: Снятие/установка и распиновка магнитолы SORENTO (2002..2

Сообщение Justas » 04 окт 2017, 17:57

Комрады, если кому-то мало словесного описания процесса демонтажа (как, например, мне), здесь ( ссылка на блог на драйв2) есть фото процесса демонтажа нужных панелей.
Аватара пользователя
Justas
 
 
Сообщения: 48
Зарегистрирован: 03 сен 2015, 12:09
Откуда: Воронеж
Благодарил (а): 5 раз.
Поблагодарили: 3 раз.
Имя: Алексей
Автомобиль: Sorento BL, 2.5TD (170 л/с), TOD, AT
Год выпуска: 2008

Re: Снятие/установка и распиновка магнитолы SORENTO (2002..2

Сообщение Artur Abrahamyan » 15 окт 2017, 16:35

Хочу заменить штатную магнитолу на андроид,
нашел на али несколько вариантов, написал продавцу Joying.
Kажется с размерами рамки определились,
и вот продавец задает такой вопрос про кабель и canbus, на которого у меня нет ответа :(
Could you show me the diagram of your car factory radio? I will check whether this harness cable can fit your car: https://www.carjoying.com/joying-harness/chevrolet-harness/joyingr-double-din-car-stereo-head-unit-replacement-iso-harness-for-chevrolet-chevy-aveo-lova-captiva-epica-silverado-tacuma-opel-roadster-gt-holden-barina-tk.html

If your car have CANBUS or factory amplifier, you need to buy extra harness adapter like this:
http://www.connects2.co.uk/products/steering-wheel-control-interfaces/vehicle/Kia/Sorento


Машина у меня 2008г. американец, с 3.8л сердцем.
Фото под спойлером.
Прощу помочь -
1. Есть ли у кого диаграмма штатного радио
2. Имеет ли моя машина CANBUS и нужен ли адаптер ?
штатная магнитола сзади, модел D465 96120 3E600
Изображение

разъемы
Изображение
Artur Abrahamyan
 
 
Сообщения: 21
Зарегистрирован: 05 мар 2017, 16:00
Откуда: Ереван
Благодарил (а): 22 раз.
Поблагодарили: 0 раз.
Имя: Артур
Автомобиль: Sorento BL, 3.8 (262 л/с), TOD, AT
Год выпуска: 2008
Доп. информация: SuperTOD(ARMENIA), ГБО(LPG - Lovato)

Re: Снятие/установка и распиновка магнитолы SORENTO (2002..2

Сообщение Fil73rus » 17 окт 2017, 22:27

Здравствуйте, подскажите, пожалуйста, подойдёт ли магнитола от Соренто XM на Соренто BL (вместо штатной)? Только надо, чтобы кнопки на руле работали))
Спасибо
Fil73rus
 
 
Сообщения: 28
Зарегистрирован: 29 дек 2015, 22:05
Откуда: Ульяновск
Благодарил (а): 7 раз.
Поблагодарили: 1 раз.
Имя: Олег
Автомобиль: Sorento BL, 2.5TD (170 л/с), TOD, AT
Год выпуска: 2011
Доп. информация: SuperTOD от BlkDem, Пружины Прадо 90 б/у, Проставки +45, Hankook DynaPro ATM 245 75 16

Re: Снятие/установка и распиновка магнитолы SORENTO (2002..2

Сообщение Artur Abrahamyan » 04 ноя 2017, 23:14

Никто не может ответить на мой вопрос ? ) Скоро 11.11 хочется купить что нибудь...
Artur Abrahamyan
 
 
Сообщения: 21
Зарегистрирован: 05 мар 2017, 16:00
Откуда: Ереван
Благодарил (а): 22 раз.
Поблагодарили: 0 раз.
Имя: Артур
Автомобиль: Sorento BL, 3.8 (262 л/с), TOD, AT
Год выпуска: 2008
Доп. информация: SuperTOD(ARMENIA), ГБО(LPG - Lovato)

Re: Снятие/установка и распиновка магнитолы SORENTO (2002..2

Сообщение Alex K » 05 ноя 2017, 09:59

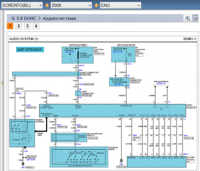
Artur Abrahamyan, кан в bl для магнитолы бесполезная штука. все, что нужно либо разведено в жгуте проводки к штатной магнитоле, либо находится в соседних жгутах.
схема под спойлером
Alex K
 
 
Сообщения: 324
Зарегистрирован: 05 июл 2015, 09:26
Откуда: Perm
Благодарил (а): 1 раз.
Поблагодарили: 56 раз.
Автомобиль: Sorento BL, 2.5TD (170 л/с), TOD, AT
Год выпуска: 2007

Re: Снятие/установка и распиновка магнитолы SORENTO (2002..2

Сообщение Fil73rus » 30 янв 2018, 13:10

Доброго времени суток!
Подскажите пожалуйста какой пин в разъёме отвечает за подсветку кнопок магнитолы?
Fil73rus
 
 
Сообщения: 28
Зарегистрирован: 29 дек 2015, 22:05
Откуда: Ульяновск
Благодарил (а): 7 раз.
Поблагодарили: 1 раз.
Имя: Олег
Автомобиль: Sorento BL, 2.5TD (170 л/с), TOD, AT
Год выпуска: 2011
Доп. информация: SuperTOD от BlkDem, Пружины Прадо 90 б/у, Проставки +45, Hankook DynaPro ATM 245 75 16

Re: Снятие/установка и распиновка магнитолы SORENTO (2002..2

Сообщение dim_ich » 04 фев 2018, 18:40

Artur Abrahamyan писал(а):Хочу заменить штатную магнитолу на андроид,
нашел на али несколько вариантов, написал продавцу Joying.

что в итоге?
тоже хочу взять с али мафон Joying-JY-UM135N2. не знаю, что продавану про CAN написать.
Аватара пользователя
dim_ich
 
 
Сообщения: 294
Зарегистрирован: 25 июл 2017, 12:42
Откуда: Санкт-Петербург
Благодарил (а): 11 раз.
Поблагодарили: 23 раз.
Имя: Дмитрий
Автомобиль: Sorento BL, 2.5TD (170 л/с), TOD, AT
Год выпуска: 2009
Доп. информация: Егр заглушен; Кат удален; Бал. валы ликвидированы.

Re: Снятие/установка и распиновка магнитолы SORENTO (2002..2

Сообщение MAXOBCKU » 08 сен 2018, 07:32

Fil73rus писал(а):Здравствуйте, подскажите, пожалуйста, подойдёт ли магнитола от Соренто XM на Соренто BL (вместо штатной)? Только надо, чтобы кнопки на руле работали))
Спасибо


Тоже решил поставить 710-ю вместо штатной. Но есть один нюанс - цвет подсветки. Зеленая подсветка есть только у Тушкана и Спортажа. Вот от них и надо ставить магнитолы. А еще наклон лицевой панели надо учитывать, на XM лицо сильно завалено, поэтому даже без учета красной подсветки она будет смотреться инородно. Так же по 710-м мафонам есть много доработок, вот например:
https://www.drive2.ru/b/3035483/
При средней стоимости данных магнитол на авито в 2000р. - считаю этот вариант самым бюджетным подключением USB/AUX именно от родного производителя.
PS: штатные кнопки на руле работают... https://pp.userapi.com/c849128/v8491288 ... L3LMwM.jpg
MAXOBCKU
 
 
Сообщения: 67
Зарегистрирован: 29 авг 2011, 08:10
Откуда: В. Новгород
Благодарил (а): 0 раз.
Поблагодарили: 1 раз.
Имя: Сергей
Автомобиль: Sorento BL, 3.3 (247 л/с) TOD, AT
Год выпуска: 2008
Доп. информация: чип euro 2
был - Sorento BL 2.4 (139 л/с) TOD, MT, 2006

Re: Снятие/установка и распиновка магнитолы SORENTO (2002..2

Сообщение вик1 » 07 ноя 2018, 15:52

Ok
Аватара пользователя
вик1
 
 
Сообщения: 250
Зарегистрирован: 12 авг 2014, 19:38
Откуда: Чернигов
Благодарил (а): 83 раз.
Поблагодарили: 19 раз.
Имя: Владимир
Автомобиль: Sorento BL, 2.5TD (170 л/с), TOD, AT
Год выпуска: 2008
Доп. информация: Амо. перед кояба 341365/64,пруж.РИФ.
Зад амо.Toyota 48531-60542 Пруж.от TLC-90 б/у сток( диаметр прутка 14,6)

Re: Снятие/установка и распиновка магнитолы SORENTO (2002..2

Сообщение Zauber » 04 сен 2019, 08:55

Не верю, но вдруг :D
Коллеги, а есть ли у кого GDS-Kia с базой машин, выпущенных для внутреннего рынка Кореи? Или кто то знает куда можно обратиться?
Очень интересует электросхема Audio для Соренто 2,5CRDI 2005 года с мультимедийным ГУ HAV-062BLND, у которой 26-пиновый основной разъем подключения.

ЗЫ. Я ранее к нему(разъему) подключил китайское ГУ. Как бы все работает и мультируль тоже, но не покидают сомнения, что все правильно и кроме того несколько пинов остались не распознанными. Неделями гуглил (кроме корейских порталов, в которых я ничего не понимаю), нигде найти не смог. Прям какой то фантом... Для машин на внешний рынок инфы куча, а для внутреннего пустота. Как то давно ставил GDS базу с руттрекера на ноут, но там тоже только для внешнего рынка.
Аватара пользователя
Zauber
 
 
Сообщения: 385
Зарегистрирован: 15 мар 2010, 20:58
Откуда: Целиноград
Благодарил (а): 39 раз.
Поблагодарили: 51 раз.
Имя: Юрий
Автомобиль: Другая машина
Год выпуска: 2018
Доп. информация: Sorento BL, 2005 г.в., 2,5TD (170 л/с) TOD, AT VGT-шечка Limited (почему то без круиза)) была.
Hyundai Tucson, 2018, 2,0 (165 л/с), 4х4 (с круизом))

Re: Снятие/установка и распиновка магнитолы SORENTO (2002..2

Сообщение CHASER_V » 05 сен 2019, 12:22

Народ кто знает как на родную дорестайловую магнитолу припаять aux или usb?
CHASER_V
 
 
Сообщения: 24
Зарегистрирован: 28 май 2016, 16:39
Откуда: Ачинск
Благодарил (а): 5 раз.
Поблагодарили: 2 раз.
Имя: Тимур
Автомобиль: Sorento BL, 2.5TD (14X л/с), TOD, AT
Год выпуска: 2003

Re: Снятие/установка и распиновка магнитолы SORENTO (2002..2

Сообщение alex324 » 05 сен 2019, 14:14

В России три погоды: грязь размокла, грязь засохла, грязь замёрзла.
alex324
 
 
Сообщения: 607
Зарегистрирован: 27 сен 2012, 19:21
Откуда: Вологодская губерния, лесной район
Благодарил (а): 97 раз.
Поблагодарили: 111 раз.
Имя: Александр
Автомобиль: Другая машина
Год выпуска: Другое
Доп. информация: Был 12 лет Соренто 2.4 2004, продан коллеге. Теперь Веста 1.8 2019

Пред.След.

Вернуться в Электрика и электроника (BL)

Кто сейчас на конференции

Сейчас этот форум просматривают: нет зарегистрированных пользователей и гости: 5