Потеря мощности... двигатель не раскручивается свыше 3000 об

Особенности устройства и эксплуатации дизельных двигателей, устанавливаемых на KIA SORENTO BL (2002..2009)

Re: Потеря мощности... двигатель не раскручивается свыше 300

Сообщение Denis42 » 13 окт 2012, 16:20

Ребят помогайте.Дня четыре назад,с утра подморозило.Завелся нормально,прогрел,поехал,но как поехал.. Газульку давлю,а машина не едет-не слышно наддува,обороты большие.Погрешил сначала на соляру,поехал поменял фильтра,ну и масло за одно.Но ничего не поменялось,как не ехала,так и не едет,расход только увеличился.Осмотрел патрубки интеркулера,дыр нет,но когда газуешь-не надуваются(легко продавливаю).В связи с этим вопрос.Что это-дрмв?турбина?Или еще что? ЕГР кстати заглушен.
Denis42
 
 
Сообщения: 70
Зарегистрирован: 18 июл 2011, 19:07
Откуда: Новокузнецк
Благодарил (а): 0 раз.
Поблагодарили: 0 раз.
Имя: Денис
Автомобиль: Sorento BL, 2.5TD (14X л/с), TOD, AT
Год выпуска: 2003
Доп. информация: комплектация Лимитед,цвет серый,пробег 230000

Re: Потеря мощности... двигатель не раскручивается свыше 300

Сообщение KLIG. » 13 окт 2012, 16:27

Denis42 писал(а):Что это-дрмв?турбина?Или еще что?

Легко проверить ДМРВ, отключи его и проедь без него, если раницу не почувствуешь то скорей всего он.
С турбой по сложней....
Если руки золотые,то уже не важно от куда они растут......
Аватара пользователя
KLIG.
 
 
Сообщения: 937
Зарегистрирован: 28 июл 2010, 16:56
Откуда: Иркутская обл. г.Тайшет
Благодарил (а): 2 раз.
Поблагодарили: 8 раз.
Имя: Сергей
Автомобиль: Sorento BL, 2.5TD (14X л/с), Part-Time, MT
Год выпуска: 2002
Доп. информация: Ремонт пром вала,переднего кардана.Выкинул левый балансировочный вал,правый сделал круглым.Замена ГРМ.Замена сцепления и.т.д.Владею 13 лет!Мой пробег 250т.Км

Re: Потеря мощности... двигатель не раскручивается свыше 300

Сообщение Denis42 » 13 окт 2012, 16:28

А когда ДРМВ не рабочий,наддув есть или нет вообще?
Denis42
 
 
Сообщения: 70
Зарегистрирован: 18 июл 2011, 19:07
Откуда: Новокузнецк
Благодарил (а): 0 раз.
Поблагодарили: 0 раз.
Имя: Денис
Автомобиль: Sorento BL, 2.5TD (14X л/с), TOD, AT
Год выпуска: 2003
Доп. информация: комплектация Лимитед,цвет серый,пробег 230000

Re: Потеря мощности... двигатель не раскручивается свыше 300

Сообщение KLIG. » 13 окт 2012, 16:43

Denis42
Да там не фига нет не надува не тяги ни фига!!! Ты отключи и попробуй проедь, если почувствуешь разницу то скорей всего не он, а если не почувствуешь разницы то он гадёныш :D
Если руки золотые,то уже не важно от куда они растут......
Аватара пользователя
KLIG.
 
 
Сообщения: 937
Зарегистрирован: 28 июл 2010, 16:56
Откуда: Иркутская обл. г.Тайшет
Благодарил (а): 2 раз.
Поблагодарили: 8 раз.
Имя: Сергей
Автомобиль: Sorento BL, 2.5TD (14X л/с), Part-Time, MT
Год выпуска: 2002
Доп. информация: Ремонт пром вала,переднего кардана.Выкинул левый балансировочный вал,правый сделал круглым.Замена ГРМ.Замена сцепления и.т.д.Владею 13 лет!Мой пробег 250т.Км

Re: Потеря мощности... двигатель не раскручивается свыше 300

Сообщение Denis42 » 13 окт 2012, 16:57

Понял,завтра опробую.Я вообще почему спрашиваю,что еще может быть:По лету помыл на мойке двигатель и на целый день превратился в черепашку,потом видимо просохло где нужно и все прошло.

Добавлено через 13 часов 14 минут 48 секунд:
Re: Потеря мощности... двигатель не раскручивается свыше 3000 об
KLIG. писал(а): Ты отключи и попробуй проедь
Отключил,газ в пол,а не едет вообще.Подключил едет,но наддува не слышно.А на турбине датчики какие-нибудь есть?

Добавлено через 3 часа 24 минуты 44 секунды:
Re: Потеря мощности... двигатель не раскручивается свыше 3000 об
В общем разобрал все от егр и до турбины,почистил.Турбина масло не гонит,люфта почти нет,да и то чтобы его почувствовать нужно усилие приложить.Ничего не изменилось,правда в процессе выяснил,что наддув есть,но какой-то вялый.Патрубки раздувает немного ближе к 4000об.Теперь о главном:-Может так глючить дрмв?
Denis42
 
 
Сообщения: 70
Зарегистрирован: 18 июл 2011, 19:07
Откуда: Новокузнецк
Благодарил (а): 0 раз.
Поблагодарили: 0 раз.
Имя: Денис
Автомобиль: Sorento BL, 2.5TD (14X л/с), TOD, AT
Год выпуска: 2003
Доп. информация: комплектация Лимитед,цвет серый,пробег 230000

Re: Потеря мощности... двигатель не раскручивается свыше 300

Сообщение sem » 14 окт 2012, 11:03

Denis42 писал(а):наддув есть,но какой-то вялый

актуатор проверял?
Аватара пользователя
sem
 
 
Сообщения: 420
Зарегистрирован: 10 июл 2009, 13:25
Откуда: Дубна М.О.
Благодарил (а): 0 раз.
Поблагодарили: 4 раз.
Имя: Станислав
Автомобиль: Sorento XM, 2.4 (174 л/с), 4WD, AT
Год выпуска: 2009
Доп. информация: чиповка в чипико. был сорик 2006, 170 л.с,TOD, АТ, кореец. чиповка в чипико. был сорик 2004, 145 л.с,TOD, АТ. чипован.

Re: Потеря мощности... двигатель не раскручивается свыше 300

Сообщение Denis42 » 14 окт 2012, 11:06

А на дорестайле он тоже есть?
Denis42
 
 
Сообщения: 70
Зарегистрирован: 18 июл 2011, 19:07
Откуда: Новокузнецк
Благодарил (а): 0 раз.
Поблагодарили: 0 раз.
Имя: Денис
Автомобиль: Sorento BL, 2.5TD (14X л/с), TOD, AT
Год выпуска: 2003
Доп. информация: комплектация Лимитед,цвет серый,пробег 230000

Re: Потеря мощности... двигатель не раскручивается свыше 300

Сообщение sem » 14 окт 2012, 11:39

пардон! не посмотрел год выпуска в профиле.
вообще есть, но как и что не могу сказать.....
Аватара пользователя
sem
 
 
Сообщения: 420
Зарегистрирован: 10 июл 2009, 13:25
Откуда: Дубна М.О.
Благодарил (а): 0 раз.
Поблагодарили: 4 раз.
Имя: Станислав
Автомобиль: Sorento XM, 2.4 (174 л/с), 4WD, AT
Год выпуска: 2009
Доп. информация: чиповка в чипико. был сорик 2006, 170 л.с,TOD, АТ, кореец. чиповка в чипико. был сорик 2004, 145 л.с,TOD, АТ. чипован.

Re: Потеря мощности... двигатель не раскручивается свыше 300

Сообщение Denis42 » 15 окт 2012, 05:27

Помыл ДРМВ,видимо как-то не так,теперь вообще не едет((
Denis42
 
 
Сообщения: 70
Зарегистрирован: 18 июл 2011, 19:07
Откуда: Новокузнецк
Благодарил (а): 0 раз.
Поблагодарили: 0 раз.
Имя: Денис
Автомобиль: Sorento BL, 2.5TD (14X л/с), TOD, AT
Год выпуска: 2003
Доп. информация: комплектация Лимитед,цвет серый,пробег 230000

Re: Потеря мощности... двигатель не раскручивается свыше 300

Сообщение Tulyak » 15 окт 2012, 07:49

чем помыл то? если карбклинером, то мог и загнуться...
Изображение Изображение
Даже если Вас съели - у Вас есть два выхода!!!
Аватара пользователя
Tulyak
 
 
Сообщения: 712
Зарегистрирован: 24 июн 2012, 14:09
Откуда: Тула
Благодарил (а): 140 раз.
Поблагодарили: 20 раз.
Имя: Сергей
Автомобиль: Sorento BL, 2.5TD (170 л/с), TOD, AT
Год выпуска: 2007
Доп. информация: Super TOD от Лёвы

Re: Потеря мощности... двигатель не раскручивается свыше 300

Сообщение Denis42 » 15 окт 2012, 11:42

Tulyak писал(а):карбклинером

Им самым
Denis42
 
 
Сообщения: 70
Зарегистрирован: 18 июл 2011, 19:07
Откуда: Новокузнецк
Благодарил (а): 0 раз.
Поблагодарили: 0 раз.
Имя: Денис
Автомобиль: Sorento BL, 2.5TD (14X л/с), TOD, AT
Год выпуска: 2003
Доп. информация: комплектация Лимитед,цвет серый,пробег 230000

Re: Потеря мощности... двигатель не раскручивается свыше 300

Сообщение Gubkin » 15 окт 2012, 12:51

Denis42 писал(а):Им самым


жесть... а чего не серной кислотой мыл ? :D

моют либо спиртом, либо этим http://catalogue.liquimoly.ru/index.php ... gue_id=443

после карбклинера ДМРВ в помойку...
Аватара пользователя
Gubkin
 
 
Сообщения: 14241
Зарегистрирован: 25 май 2012, 11:08
Откуда: Самара
Благодарил (а): 1301 раз.
Поблагодарили: 1450 раз.
Имя: Саня
Автомобиль: Sorento BL, 2.5TD (170 л/с), TOD, AT
Год выпуска: 2008

Re: Потеря мощности... двигатель не раскручивается свыше 300

Сообщение KLIG. » 15 окт 2012, 14:27

Denis42
Ден.... сочувствую :( замыл ты свой ДМРВ насмерть :D
Ну да не в этом дело, есть на турбине твоей перепускной клапан, который открывается актуатором при определённых оборотах турбы. Так вот если седло клапана треснуло или клапан не закрывается плотно то тоже будет тупить. И ещё раз вернёмся к ЕГР, глуши его нафиг!!! Я его и чистил и мыл и чё токо не делал, всё равно мозг е....т. Если он будет пропускать газы то турбина не будет раскручиваться до нужных оборотов. Идеальный вариант ставить две заглушки на ЕГР. Сос стороны всасывающего коллектора и со стороны выхлопного тоже. :wink:
Удачи
Если руки золотые,то уже не важно от куда они растут......
Аватара пользователя
KLIG.
 
 
Сообщения: 937
Зарегистрирован: 28 июл 2010, 16:56
Откуда: Иркутская обл. г.Тайшет
Благодарил (а): 2 раз.
Поблагодарили: 8 раз.
Имя: Сергей
Автомобиль: Sorento BL, 2.5TD (14X л/с), Part-Time, MT
Год выпуска: 2002
Доп. информация: Ремонт пром вала,переднего кардана.Выкинул левый балансировочный вал,правый сделал круглым.Замена ГРМ.Замена сцепления и.т.д.Владею 13 лет!Мой пробег 250т.Км

Re: Потеря мощности... двигатель не раскручивается свыше 300

Сообщение s3traser » 15 окт 2012, 17:48

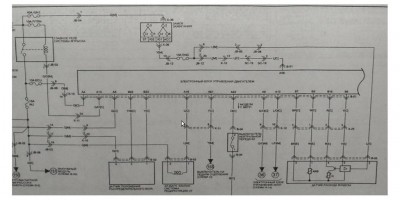
Всем доброе время суток. В общем долгая история как но я стал обладателем kia sorento. Сразу извиняюсь что не отметился в ветке новичков и без фото. Просто сейчас загружен дико но честно обещаю позднее всё сделаю. А сейчас у меня назрел вопрос на который сам я ответ найти не смог и надеюсь на вашу помощь коллеги. В общем для начала про машину - kia sorento, 2007 год выпуска, 2.5 литра, турбодизель, 170 лошадей, механика, подключаемый 4wd. В общем в момент покупки я проворонил и не заметил то что мотор не раскручивается выше 3000 оборотов. Когда начал разбираться прочитал что это аварийный режим мотора, в который он вылетает из за ошибок по электронике и топливной. Чек на тот момент не горел. Машина тянула неплохо но выше 3000 как будто была отсечка, правда пару раз было такое что переставало тянуть после 2000 как будто турбина не включалась. Тянул в эти моменты мотор очень плохо , но с трудом всегда до 3000 раскручивался. На днях поменял ей топливный фильтр и поставил сепар (шланги на него были прокинуты до меня просто у предыдущего владельца треснул корпус). Потом помучавшись с топливной (по запарке проставку которая стоит над фильтром поставил вверх ногами и из под неё травило дизель) всё же прокачал и завёл. Все нормально не дымит ничего но как раньше не крутится выше 3000 и загорелся чек. Вечером поставил на стоянку, с утра завёл чек не горит. В течении дня загорелся снова. На третье утро сново погас и я как раз поехал на диагностику. По диагностике было некоторое количество незначительных ошибок (в основном по лампочкам приборки) я так понял что это связано с тем что ставили сигналку незадолго до этого и включали зажигание без приборки. После сброса всех ошибок осталась одна, мотор не видит датчик расхода воздуха. Фишка на него по какой то причине была до этого полностью отрезана и соединена клемником. Я купил новый расходомер (28164-27800) и в гараже пропаял все провода хорошо заизолировал и собрал всё обратно. После чего поехал на диагностику снова. Ошибка по расходомеру так и висит, не скидывается, и мотор показания с датчика не видит. Ну и соответственно всё также не крутится выше 3000.
Итак вследствии всего вышесказанного прошу помощи:
1. Нет ли у кого распиновки расходомера чтобы прозвонить его? (как я думаю там два провода + и - , один сигнальный и еще два датчик температуры.) по книге нашел только +, все остальные уходят в мозг.
2. Есть ли у соренто какие нибудь болезни связанные с расходомером? (поиском ничего не нашел)
3. Есть ли у кого мысли по этому поводу?
p/s. авто не дымит, тянет неплохо, расход топлива в норме (примерно 8-9).
p/p/s заранее спасибо за ответы, очень надеюсь на вашу помощь...

Добавлено через 51 секунду:
Re: Потеря мощности... двигатель не раскручивается свыше 3000 об
Вот страница из книги. Насколько я понимаю провод подписанный L(E) идущий к контакту 2 это + на датчик появляющийся при включении зажигания, а вот как вычислить остальные провода ума не приложу
Без имени.jpg
.
s3traser
 
 
Сообщения: 8
Зарегистрирован: 23 сен 2012, 18:12
Откуда: Ангарск- Иркутск
Благодарил (а): 0 раз.
Поблагодарили: 0 раз.
Имя: Андрей
Автомобиль: Sorento BL, 2.5TD (170 л/с), Part-Time, MT
Год выпуска: 2007

Re: Потеря мощности... двигатель не раскручивается свыше 300

Сообщение Tulyak » 15 окт 2012, 19:15

Ты правильно понял это "+" после включения зажигания, а остальные провода уходят в ЭБУ.Где схемы надыбал? Не поделишься? Интересует схема управления свечами накала да и остальные. Попробовать бы подкинуть расходомер с рабочей машинки. А так скорей всего ему пришла полярная лисица.
Изображение Изображение
Даже если Вас съели - у Вас есть два выхода!!!
Аватара пользователя
Tulyak
 
 
Сообщения: 712
Зарегистрирован: 24 июн 2012, 14:09
Откуда: Тула
Благодарил (а): 140 раз.
Поблагодарили: 20 раз.
Имя: Сергей
Автомобиль: Sorento BL, 2.5TD (170 л/с), TOD, AT
Год выпуска: 2007
Доп. информация: Super TOD от Лёвы

Пред.След.

Вернуться в Дизельные двигатели (BL)

Кто сейчас на конференции

Сейчас этот форум просматривают: нет зарегистрированных пользователей и гости: 1