был неправ,признаю

, может и заругаться
. 
(в дневное время)
Сам пользуюсь ПТФ в штатном режиме в качестве ДХО.
Желание касается только передних габаритов.netoka писал(а): Непонятно желание Operator использовать ближний без габаритов - а как же в тёмное время?
netoka писал(а):Самый простой вариант: в блоке предохранителей ищем контакт, накотором появляется + после заводки двигателя (на предохранителях или реле), провод с диодом к управляющей ноге реле ПТФ.
PS. Был неправ - нету реле
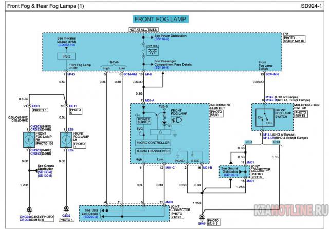
Итак, ПТФ сидят на IPS2, габариты на IPS3 правые и на IPS7 левые блока IPM (блок предохранителей и реле в салоне). По схемам не понятно, как IPS2 зависит от IPS3 (или IPS7
netoka писал(а):Пока мысли такие.
Константин, а готовое решение можете предложить? Просто я не особо силен в автоэлектрике, да и многие другие форумчане не особо шарят))) А вот реализовать по готовой схеме могу!) Так что выручайте если можете)))
Кстати, ещё мысль возникла: а не по CAN ли они завязаны через индикаторные светодиоды?
, поэтому решил пойти старым дедовским способом
- через реле и выключатель.

Вернуться в Осветительные приборы (XM)
Сейчас этот форум просматривают: нет зарегистрированных пользователей и гости: 1