Глухой стук в передней подвеске

Особенности устройства и эксплуатации элементов подвески и ходовой части автомобилей KIA SORENTO XM (2009MY)

Re: Глухой стук в передней подвеске

Сообщение Serg. » 21 май 2015, 05:52

Янц Евгений писал(а):За глухим стуком скрывался стучек рейки. Пришлось снимать и разбирать рейку. С ЭУР она простейшая. В результате выявлено: жуткая экономия на смазке и прослабленая опорная пластиковая втулка. Новую втулку перед установкой обернул в один слой фольгой от банки из под пепси.
Значит всетаки втулка рейки. Вот интересно, она на ГУР и ЭУР одинаковая или нет? Фото не делал?
Аватара пользователя
Serg.
 
 
Сообщения: 106
Зарегистрирован: 28 окт 2012, 12:35
Откуда: Караганда
Благодарил (а): 14 раз.
Поблагодарили: 7 раз.
Имя: Сергей
Автомобиль: Sorento XM, 2.4 (174 л/с), 4WD, AT
Год выпуска: 2010

Re: Глухой стук в передней подвеске

Сообщение Янц Евгений » 21 май 2015, 06:23

Talik писал(а):Постановлением Правительства РФ от 11 апреля 2001 г. N 290.п.31

У вас есть правительство, а Я в Казахстане.
Serg. писал(а):она на ГУР и ЭУР одинаковая или нет?

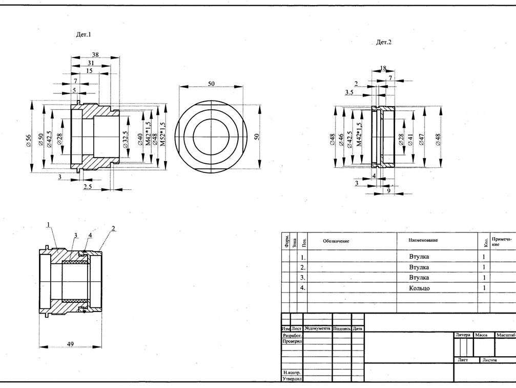
Втулки кординально различаются. С ГУР она металлическая и является уплотнением а с ЭУР пластиковая. По поводу втулки с ГУР, есть посты, фото и даже видео переделки.
Вот у меня чертежик есть от умельцев.
d39g48s-960.jpg
Янц Евгений
 
 
Сообщения: 308
Зарегистрирован: 11 фев 2015, 16:11
Откуда: Темиртау
Благодарил (а): 11 раз.
Поблагодарили: 56 раз.
Имя: Евгений
Автомобиль: Sorento XM F/L, 2.4 (174 л/с), 4WD, AT
Год выпуска: 2013

Re: Глухой стук в передней подвеске

Сообщение Fedka7 » 21 май 2015, 07:14

Ramb
Роман, я тут обратил внимание на твою вывеску, ты каким образом егр заглушил? Недав
но обратился с этим вопросом к Василию (Vasco) из киа-марьино, так он сказал, что на наших авто так просто егр не глушится. Ну типа при этом будет вылезать ошибка.
Аватара пользователя
Fedka7
 
 
Сообщения: 588
Зарегистрирован: 24 сен 2014, 20:57
Откуда: Королев
Благодарил (а): 25 раз.
Поблагодарили: 44 раз.
Имя: Сергей
Автомобиль: Sorento XM, 2.2TD (197 л/с), 4WD, AT
Год выпуска: 2012
Доп. информация: Белый гламурный перламутр (SWP)

Re: Глухой стук в передней подвеске

Сообщение Ramb » 21 май 2015, 08:35

Fedka7
Все не сложно... Вытрчил из нержавейки 2,5 мм заглушку... Вроде от вага тоже должна подходить... Установил... Да ошибка Р0401 вылезает... Но она не несёт серьёзных последствий... Недавно выбил сажевик, чипанул и отключил ерг... Сейчас в процессе отладки прошивки... Допиливаем под меня...

Добавлено через 2 минуты 50 секунд:
Янц Евгений писал(а):Втулки кординально различаются. С ГУР она металлическая и является уплотнением а с ЭУР пластиковая. По поводу втулки с ГУР, есть посты, фото и даже видео переделки.
Вот у меня чертежик есть от умельцев.

Кстати по поводу втулки... Геморно подобрать сальник... Из универсальных на 0,5 мм больше или меньше внутриний диаметр...
Изображение
Аватара пользователя
Ramb
 
 
Сообщения: 5332
Зарегистрирован: 23 сен 2012, 11:19
Откуда: Мытищи
Благодарил (а): 99 раз.
Поблагодарили: 438 раз.
Имя: Роман
Автомобиль: Sorento XM, 2.2TD (197 л/с), 4WD, AT, 7 мест
Год выпуска: 2011
Доп. информация: пружины H&R, аморты передние MONROE G8406(7), аморты задние KYB 341716 , заглушен EGR, вырезан сажевик и катализатор, чипован

Re: Глухой стук в передней подвеске

Сообщение Fedka7 » 21 май 2015, 08:59

Ramb
Ясно, Кулибины. Может займусь когда с гарантии уйду.
Аватара пользователя
Fedka7
 
 
Сообщения: 588
Зарегистрирован: 24 сен 2014, 20:57
Откуда: Королев
Благодарил (а): 25 раз.
Поблагодарили: 44 раз.
Имя: Сергей
Автомобиль: Sorento XM, 2.2TD (197 л/с), 4WD, AT
Год выпуска: 2012
Доп. информация: Белый гламурный перламутр (SWP)

Re: Глухой стук в передней подвеске

Сообщение Talik » 21 май 2015, 09:11

Янц Евгений писал(а):У вас есть правительство, а Я в Казахстане.

Talik писал(а):даже в Темиртау есть разрешительные документы в твою пользу!


и читаешь невнимательно...

да хоть на луне, хотел бы избежать проблем, сам бы все нашел в сети, за тебя искать не буду!
Аватара пользователя
Talik
 
 
Сообщения: 11107
Зарегистрирован: 07 июн 2013, 12:13
Откуда: Масквабад
Благодарил (а): 405 раз.
Поблагодарили: 430 раз.
Имя: Виталий
Автомобиль: Другая машина
Год выпуска: 2021
Доп. информация: Subaru Levorg STi Sport Ex \ Mazda 3 Speed \ Cadillac SRX GMT166

Re: Глухой стук в передней подвеске

Сообщение Ramb » 21 май 2015, 09:49

Fedka7
я вот кстати пожалел что раньше не заглушил... во впуске стока сажи было... тьма...(
Изображение
Аватара пользователя
Ramb
 
 
Сообщения: 5332
Зарегистрирован: 23 сен 2012, 11:19
Откуда: Мытищи
Благодарил (а): 99 раз.
Поблагодарили: 438 раз.
Имя: Роман
Автомобиль: Sorento XM, 2.2TD (197 л/с), 4WD, AT, 7 мест
Год выпуска: 2011
Доп. информация: пружины H&R, аморты передние MONROE G8406(7), аморты задние KYB 341716 , заглушен EGR, вырезан сажевик и катализатор, чипован

Re: Глухой стук в передней подвеске

Сообщение Янц Евгений » 21 май 2015, 14:26

Talik писал(а):да хоть на луне, хотел бы избежать проблем, сам бы все нашел в сети, за тебя искать не буду!

Оно мне надо?
Ставить в ремонт машину тем кому не доверяю, бегать с бумажками, добиваться допуска, тыкать носом, рыться в инете, стоять дышать им в спину. И это все за свои же деньги?
Тебе времени своего не жалко?
Я уже 1000 раз пожалел что заставлял ОД искать стуки подвески. Машина провела у них в общей сложности 4 дня. Результата ноль, кроме того что испортили шаровую и опору. И не факт что стоя у них за спиной найдется причина стука.
Для того чтобы избежать проблемы, нужно ставить мастерам которым доверяешь.
Ведь от стука избавиться оказалось возможно, и с меньшим гемором.
Янц Евгений
 
 
Сообщения: 308
Зарегистрирован: 11 фев 2015, 16:11
Откуда: Темиртау
Благодарил (а): 11 раз.
Поблагодарили: 56 раз.
Имя: Евгений
Автомобиль: Sorento XM F/L, 2.4 (174 л/с), 4WD, AT
Год выпуска: 2013

Re: Глухой стук в передней подвеске

Сообщение Talik » 21 май 2015, 14:29

Янц Евгений писал(а):Оно мне надо?

вот главные ответ... вопросов больше нет...
Янц Евгений писал(а):Тебе времени своего не жалко?

Для чего?? У меня нет никаких проблем с ОД, все идеально и суперприлежно! :wink:
Аватара пользователя
Talik
 
 
Сообщения: 11107
Зарегистрирован: 07 июн 2013, 12:13
Откуда: Масквабад
Благодарил (а): 405 раз.
Поблагодарили: 430 раз.
Имя: Виталий
Автомобиль: Другая машина
Год выпуска: 2021
Доп. информация: Subaru Levorg STi Sport Ex \ Mazda 3 Speed \ Cadillac SRX GMT166

Re: Глухой стук в передней подвеске

Сообщение Янц Евгений » 21 май 2015, 15:31

Talik писал(а):Для чего?? У меня нет никаких проблем с ОД, все идеально и суперприлежно!

Я рад за Тебя.
Мы живем в разных странах.
Янц Евгений
 
 
Сообщения: 308
Зарегистрирован: 11 фев 2015, 16:11
Откуда: Темиртау
Благодарил (а): 11 раз.
Поблагодарили: 56 раз.
Имя: Евгений
Автомобиль: Sorento XM F/L, 2.4 (174 л/с), 4WD, AT
Год выпуска: 2013

Re: Глухой стук в передней подвеске

Сообщение Микетыч » 22 май 2015, 20:13

Янц Евгений
Земляк, я живу с тобой в одной стране, и у меня с дилером всё по регламенту, и в ремзоне я нахожусь, и гарантию поддерживаю, только законы и права надо соблюдать...., обоюдно. Вежливость и знание своих прав такие хребты ломают...!
Соренто власники усіх країн єднайтеся!
Изображение
Изображение
Аватара пользователя
Микетыч
 
 
Сообщения: 5156
Зарегистрирован: 07 окт 2010, 13:34
Откуда: Кустанай. KZ
Благодарил (а): 103 раз.
Поблагодарили: 248 раз.
Имя: Дмитрий
Автомобиль: Mohave HM, 3.8 (275 л/с), TOD, AT
Год выпуска: 2012
Доп. информация: Серебристый бензопоглотитель на пневме.

Re: Глухой стук в передней подвеске

Сообщение Янц Евгений » 23 май 2015, 08:03

Мужики, это в сексе важен процесс. Для того что бы устранить неисправность, в данном случае стук подвески, Я не должен стоять и следить за ними, нет не желания не времени.
Должно быть так: сдал машину объяснив неисправность, забрал исправный автомобиль.
Янц Евгений
 
 
Сообщения: 308
Зарегистрирован: 11 фев 2015, 16:11
Откуда: Темиртау
Благодарил (а): 11 раз.
Поблагодарили: 56 раз.
Имя: Евгений
Автомобиль: Sorento XM F/L, 2.4 (174 л/с), 4WD, AT
Год выпуска: 2013

Re: Глухой стук в передней подвеске

Сообщение Grizzly27 » 23 май 2015, 16:52

Янц Евгений писал(а):Должно быть так: сдал машину объяснив неисправность, забрал исправный автомобиль.

Согласен полностью!!! Но мир устроен иначе, у нас в стране во всяком случае точно. У нас брали устранять по гарантии только после письма на директора ОД с указанием подробностей, с регистрацией на копии о приеме, ... Только результата обычно не было... Всплывало заново, или вылазило что то новое, порождавшее следущие письма. Наверное есть дилеры нормально относящиеся и к работе и к клиентам, но я таких не знаю, пока.
Grizzly27
 
 
Сообщения: 162
Зарегистрирован: 13 окт 2013, 10:13
Откуда: Хабаровск
Благодарил (а): 6 раз.
Поблагодарили: 1 раз.
Имя: Тим
Автомобиль: Другая машина
Год выпуска: 2015

Re: Глухой стук в передней подвеске

Сообщение dvuliki » 27 май 2015, 09:48

Коллеги, я буду заказывать у токаря деталь по чертежам из ветки на днях, если кому надо - отмечайтесь.
За неделю обещают выточить, в МСК привезут (токарь в Рязани), 2000 ру за деталь из двух частей, плюс капролоновая вставка.
dvuliki
 
 
Сообщения: 6
Зарегистрирован: 27 фев 2014, 18:19
Откуда: Подольск
Благодарил (а): 0 раз.
Поблагодарили: 0 раз.
Имя: Павел
Автомобиль: Sorento XM, 2.4 (174 л/с), 4WD, AT
Год выпуска: 2010

Re: Глухой стук в передней подвеске

Сообщение Que » 27 май 2015, 11:13

Так собственно чем не нравится новая версия втулки от производителя: 57735-2P000FFF?
Соренто Классик: на 180 отрывает отрывало "дворники" от лобового Изображение
Соренто Р: пока ничего не отрывает :)
Аватара пользователя
Que
 
 
Сообщения: 961
Зарегистрирован: 18 авг 2009, 11:22
Откуда: Санкт-Петербург
Благодарил (а): 66 раз.
Поблагодарили: 22 раз.
Имя: Илья
Автомобиль: Sorento XM, 2.2TD (197 л/с), 4WD, AT, 7 мест
Год выпуска: 2010
Доп. информация: Кореец. Чип-тюнинг, No-EGR, No-DPF, Пружины Kayaba R3474 + Клаксон. Koni FSD. Распорка Полигон.

Пред.След.

Вернуться в Подвеска и ходовая (XM)

Кто сейчас на конференции

Сейчас этот форум просматривают: нет зарегистрированных пользователей и гости: 1