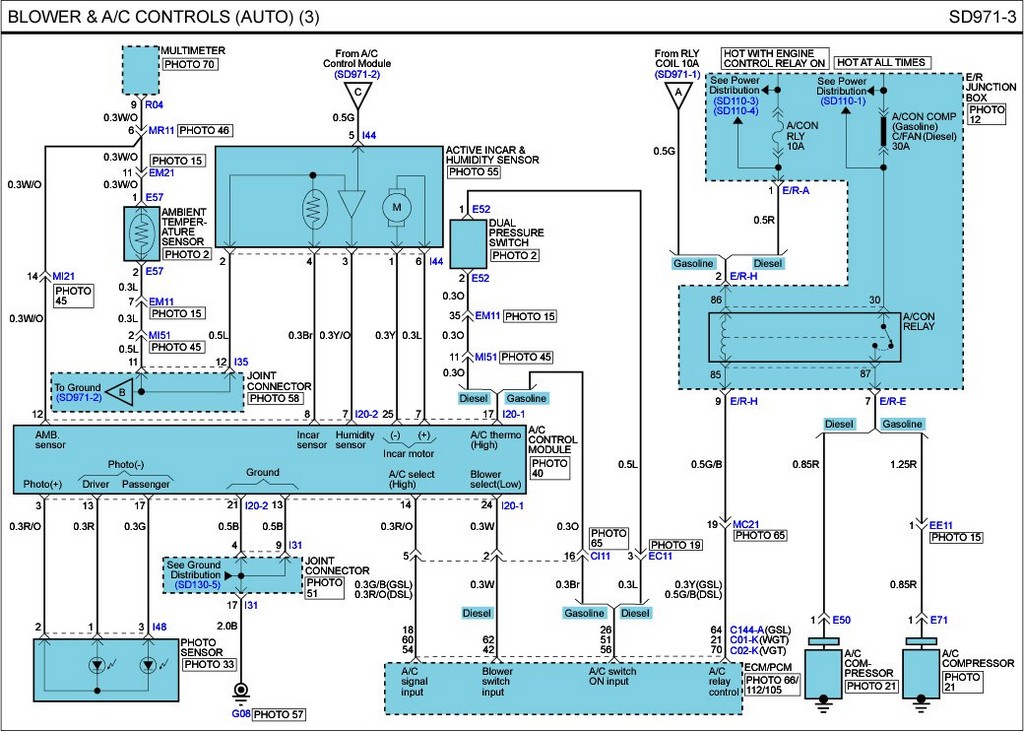
Нужна электрическая схема кондиционера
Всем Приветик!У меня не работает конд.,делала диагностику сказали обрыв в цепи.Помогите с электросхемой!!!Мой Сорентик 2007г. МКПП Дизель 2.5
Добавлено через 3 дня 5 часов 38 минут 59 секунд:
Уважаемые модераторы, быть может Вы поможете несчастной девушке
!!!!
Добавлено через 3 дня 5 часов 38 минут 59 секунд:
Уважаемые модераторы, быть может Вы поможете несчастной девушке
!!!!